- Country
- Italy
- Manufacturer / Brand
- SAFAR (Società Anonima Fabbricazione Apparecchi Radiofonici); Milano
- Year
- 1936/1937
- Category
- Broadcast Receiver - or past WW2 Tuner
- Radiomuseum.org ID
- 175451
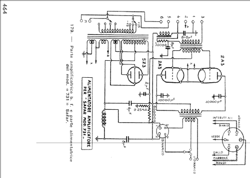
Click on the schematic thumbnail to request the schematic as a free document.
- Number of Tubes
- 7
- Main principle
- Superheterodyne (common); ZF/IF 475 kHz
- Wave bands
- Broadcast, Long Wave and Short Wave.
- Details
- Record Player (not changer)
- Power type and voltage
- Alternating Current supply (AC)
- Loudspeaker
- Permanent or electro-dynamic (moving coil), system not known yet.
- Material
- Wooden case
- from Radiomuseum.org
- Model: 731 [normale] - SAFAR Società Anonima
- Shape
- Console: Chairside Radio.
- Notes
-
Mobile differente dall'altra variante.
Oltre al normale ascolto in altoparlante era prevista una uscita per l'ascolto in cuffia.
- Source of data
- Guida Pratica Antique Radio III (2000)
- Literature/Schematics (1)
- Il Radio Libro (E.D. Ravalico) Edizioni Hoepli
- Author
- Model page created by Alessandro De Poi. See "Data change" for further contributors.
- Other Models
-
Here you find 144 models, 108 with images and 77 with schematics for wireless sets etc. In French: TSF for Télégraphie sans fil.
All listed radios etc. from SAFAR (Società Anonima Fabbricazione Apparecchi Radiofonici); Milano