- Hersteller / Marke
- Schaleco - Schackow, Leder und Co; Berlin
- Jahr
- 1932 ?
- Kategorie
- Rundfunkempfänger (Radio - oder Tuner nach WW2)
- Radiomuseum.org ID
- 6296
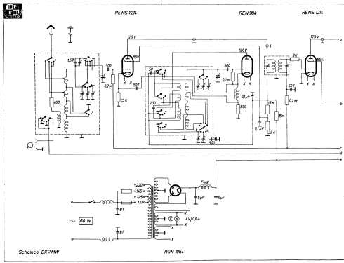
Klicken Sie auf den Schaltplanausschnitt, um diesen kostenlos als Dokument anzufordern.
- Anzahl Röhren
- 8
- Hauptprinzip
- Superhet allgemein
- Betriebsart / Volt
- Wechselstromspeisung
Die GFGF Zeitschrift Funkgeschichte bringt interessante Artikel zu Radios, Funkwesen und Medien. Bei Radiomuseum.org finden Sie die vollständigen Hefte früherer Ausgaben als PDF zum Download.
- von Radiomuseum.org
- Modell: DX7MW - Schaleco - Schackow, Leder und
- Datenherkunft
- Radiokatalog Band 1, Ernst Erb
- Schaltungsnachweis
- Lange + FS-Bestückungstabellen
- Weitere Modelle
-
Hier finden Sie 119 Modelle, davon 67 mit Bildern und 61 mit Schaltbildern.
Alle gelisteten Radios usw. von Schaleco - Schackow, Leder und Co; Berlin