Primaballerina Stereo 50 201006/16 mattiert
Schaub und Schaub-Lorenz
- Pays
- Allemagne
- Fabricant / Marque
- Schaub und Schaub-Lorenz
- Année
- 1964–1966
- Catégorie
- Radio - ou tuner d'après la guerre 1939-45
- Radiomuseum.org ID
- 25898
Cliquez sur la vignette du schéma pour le demander en tant que document gratuit.
- No. de tubes
- 8
- No. de transistors
- 3
- Principe général
- Super hétérodyne (en général); FI/IF 460/10700 kHz
- Circuits accordés
- 6 Circuits MA (AM) 10 Circuits MF (FM)
- Gammes d'ondes
- PO, GO, OC et FM
- Particularités
- Tourne disque avec changeur
- Tension / type courant
- Alimentation Courant Alternatif (CA) / 110; 127; 150; 220; 240 Volt
- Haut-parleur
- 4 HP
- Matière
- Boitier en bois
- De Radiomuseum.org
- Modèle: Primaballerina Stereo 50 201006/16 [mattiert] - Schaub und Schaub-Lorenz
- Forme
- Console avec pieds bas < 50% de la hauteur
- Dimensions (LHP)
- 1460 x 780 x 380 mm / 57.5 x 30.7 x 15 inch
- Remarques
-
Stereo-Decoder 1269
Stereo-NF-Verstärker mit 2 Gegentakt-Endstufen je 10 W;
Phono-Chassis = Dual 1011.
- Poids net
- 53 kg / 116 lb 11.8 oz (116.74 lb)
- Prix de mise sur le marché
- 1,673.00 DM
- Source extérieure
- Erb
- Source
- Handbuch VDRG 1964/1965
- Littérature
- Handbuch VDRG 1965/1966
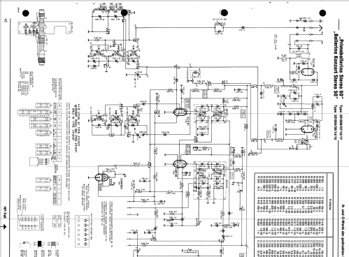
- Schémathèque (1)
- -- Original-techn. papers.
- D'autres Modèles
-
Vous pourrez trouver sous ce lien 974 modèles d'appareils, 833 avec des images et 691 avec des schémas.
Tous les appareils de Schaub und Schaub-Lorenz