S21B
Siera; Belgien
- Country
- Belgium
- Manufacturer / Brand
- Siera; Belgien
- Year
- 1938
- Category
- Broadcast Receiver - or past WW2 Tuner
- Radiomuseum.org ID
- 98811
Click on the schematic thumbnail to request the schematic as a free document.
- Number of Tubes
- 4
- Main principle
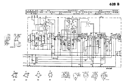
- Superheterodyne (common); ZF/IF 128 kHz; 2 AF stage(s); Reflex
- Tuned circuits
- 7 AM circuit(s)
- Wave bands
- Broadcast, Long Wave and Short Wave.
- Power type and voltage
- Storage and/or dry batteries / 2 & 135 Volt
- Loudspeaker
- Permanent Magnet Dynamic (PDyn) Loudspeaker (moving coil) / Ø 20 cm = 7.9 inch
- Material
- Wooden case
- from Radiomuseum.org
- Model: S21B - Siera; Belgien
- Shape
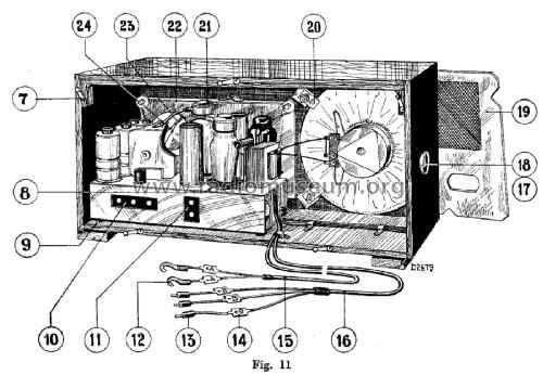
- Tablemodel, low profile (big size).
- Dimensions (WHD)
- 500 x 265 x 200 mm / 19.7 x 10.4 x 7.9 inch
- Notes
-
3 Band reception:
- LW: 720 - 2000 m.
- BC: 198 - 585 m.
- SW: 16,5- 51 m.
Tuning scale light bulbs type: 8017D (2V, 210mA).Loudspeaker Philips type 9614. Connectors for second loudspeaker and for pick-up. There is a switch on the left of the cabinet to reduce power consumption.This model is the electronic equivalent of Philips 628B and Radiola RA21B.The anode supply (B+) is defined by Siera at 135 Volt, where for the Philips 628B the B+ battery voltage is 144 Volt. Also Cortenberghe defines the B+ at 144 Volt.
- Net weight (2.2 lb = 1 kg)
- 7.5 kg / 16 lb 8.3 oz (16.52 lb)
- Price in first year of sale
- 1,995.00 BEF
- Mentioned in
- - - Manufacturers Literature (Siera memento of tubes and models 1932-1946)
- Author
- Model page created by John Koster. See "Data change" for further contributors.
- Other Models
-
Here you find 474 models, 434 with images and 212 with schematics for wireless sets etc. In French: TSF for Télégraphie sans fil.
All listed radios etc. from Siera; Belgien