- Country
- Germany
- Manufacturer / Brand
- Stassfurter Licht- und Kraftwerke AG; Staßfurt (Staßfurter)
- Year
- 1933–1935
- Category
- Broadcast Receiver - or past WW2 Tuner
- Radiomuseum.org ID
- 5048
Click on the schematic thumbnail to request the schematic as a free document.
- Number of Tubes
- 4
- Main principle
- Superheterodyne (common); ZF/IF 476 kHz; Reaction
- Tuned circuits
- 4 AM circuit(s)
- Wave bands
- Broadcast (MW) and Long Wave.
- Power type and voltage
- Alternating Current supply (AC) / 110-240 Volt
- Loudspeaker
- Permanent or electro-dynamic (moving coil), system not known yet.
- Material
- Wooden case
- from Radiomuseum.org
- Model: Imperial 34W - Stassfurter Licht- und
- Shape
- Tablemodel, high profile (upright - NOT Cathedral nor decorative).
- Dimensions (WHD)
- 438 x 455 x 300 mm / 17.2 x 17.9 x 11.8 inch
- Notes
- Ch= 3W; Groß-Sichtskala.
- Price in first year of sale
- 248.00 RM
- Source of data
- Radio-Katalog Fricke, Radio Groß-Vertrieb, 1934/35 / Radiokatalog Band 1, Ernst Erb
- Circuit diagram reference
- Lange+Schenk+FS-Röhrenbestückung
- Mentioned in
- Radio-Katalog, Mix & Genest Hansawerke, 1935
- Picture reference
- Das Modell ist im «Radiokatalog» (Erb) abgebildet.
- Other Models
-
Here you find 224 models, 175 with images and 139 with schematics for wireless sets etc. In French: TSF for Télégraphie sans fil.
All listed radios etc. from Stassfurter Licht- und Kraftwerke AG; Staßfurt (Staßfurter)
Collections
The model Imperial is part of the collections of the following members.
Forum contributions about this model: Stassfurter Licht-: Imperial 34W
Threads: 1 | Posts: 1
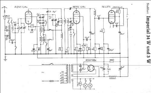
Das Chassis vom 34W soll (nach Lange Nowisch) identisch sein mit dem vom 3W. Im Schaltplan von Lange Nowisch (Imperial 34W & 3W) sind jedoch mehrere Fehler enthalten. Es empfiehlt sich daher, den Schaltplan vom 3W (nach Schenk)
Stassfurt Imperial 3W auch zu beachten. Dort sind u.a. auch die Filtertöpfe und die geschirmten Leitungen, sowie die Nummern der Schaltkontakte und die ZF-Frequenz (477 KHz) vermerkt.
Ein weiterer Schaltplan zum 34W aus dem Handbuch der Funktechnik 3 wurde hochgeladen. Damit stehen nun 3 leicht unterschiedliche Schaltpläne (für das gleiche Gerät) zur Verfügung.
MfG DR
Link verbessert.
Stassfurt Imperial 3W auch zu beachten. Dort sind u.a. auch die Filtertöpfe und die geschirmten Leitungen, sowie die Nummern der Schaltkontakte und die ZF-Frequenz (477 KHz) vermerkt.
Ein weiterer Schaltplan zum 34W aus dem Handbuch der Funktechnik 3 wurde hochgeladen. Damit stehen nun 3 leicht unterschiedliche Schaltpläne (für das gleiche Gerät) zur Verfügung.
MfG DR
Link verbessert.
Dietmar Rudolph † 6.1.22, 04.Jul.08