- Country
- Germany
- Manufacturer / Brand
- Stern-Radio Sonneberg, VEB, RFT; SONRA; -vorm.: EAK (Ostd.) - ex. AEG
- Year
- 1970–1973 ?
- Category
- Sound/Video Recorder and/or Player
- Radiomuseum.org ID
- 78329
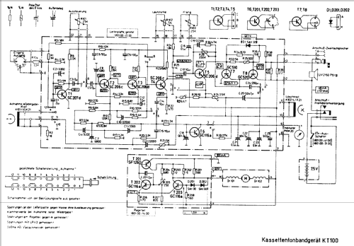
Click on the schematic thumbnail to request the schematic as a free document.
- Number of Transistors
- 11
- Semiconductors
- Main principle
- Audio-Amplification
- Details
- Cassette-Recorder or -Player
- Power type and voltage
- Dry Batteries / 7,5 (5x1,5) Volt
- Loudspeaker
- Permanent Magnet Dynamic (PDyn) Loudspeaker (moving coil)
- Power out
- 0.7 W (unknown quality)
- Material
- Plastics (no bakelite or catalin)
- from Radiomuseum.org
- Model: KT100 - Stern-Radio Sonneberg, VEB,
- Shape
- Portable set > 8 inch (also usable without mains)
- Dimensions (WHD)
- 200 x 65 x 250 mm / 7.9 x 2.6 x 9.8 inch
- Notes
-
Erstes tragbares Kassettengerät der DDR. Einmotoriges Laufwerk, Mono, 100 Hz-8000 Hz, Einhebelbedienung, Drehspulinstrument zur Aussteuerungsanzeige und Batteriekontrolle, Anschlüsse für TA/TB, Mikrofon, Zweitlautsprecher und externes Netzteil. Die ersten KT100 wurden in grünem Polystyrolgehäuse ausgeliefert und mit einem soliden und relativ aufwendigem Laufwerk mit zwei gegenläufig angeordneten Schwungmassen ausgerüstet. Dadurch wurde ein sehr guter Gleichlauf bei Bewegungen des Kassettentonbandgerätes gewährleistet. Später wurde ein vereinfachtes und wesentlich billigeres Laufwerk mit nur einer Schwungmasse eingesetzt.
Empfohlenes Zubehör:
- UNI-Netzteil N200
- Mikrofon DM2112; DM1331; DM1623;
- Net weight (2.2 lb = 1 kg)
- 2.8 kg / 6 lb 2.7 oz (6.167 lb)
- Price in first year of sale
- 635.00 Mark
- Source of data
- -- Original-techn. papers. / Radiokatalog Band 2, Ernst Erb
- Literature/Schematics (1)
- Funkamateur Jahrgang 1970 Heft 9, rfe Jahrgang 1970 Heft 15 Seite 495
- Author
- Model page created by Wolfgang Lill. See "Data change" for further contributors.
- Other Models
-
Here you find 386 models, 313 with images and 288 with schematics for wireless sets etc. In French: TSF for Télégraphie sans fil.
All listed radios etc. from Stern-Radio Sonneberg, VEB, RFT; SONRA; -vorm.: EAK (Ostd.) - ex. AEG
Collections
The model is part of the collections of the following members.
Forum contributions about this model: Stern-Radio: KT100
Threads: 1 | Posts: 1
So war das damals, ich schrieb regelmäßig Firmen in der DDR und der Tschechoslowakei an, um Insiderinformationen zu erhalten.
Nachstehendes Schreiben möchte ich den Freunden vom Radiomuseum nicht vorenthalten.
Einfach toll, dieses Schreiben, meinen Sie es nicht auch ???
Wolfgang Lill, 19.Jan.19