- Pays
- Australie
- Fabricant / Marque
- Stromberg-Carlson (Australasia) Pty. Ltd. Sydney
- Année
- 1933/1934
- Catégorie
- Radio - ou tuner d'après la guerre 1939-45
- Radiomuseum.org ID
- 313631
Cliquez sur la vignette du schéma pour le demander en tant que document gratuit.
- No. de tubes
- 5
- Principe général
- Super hétérodyne (en général); FI/IF 465 kHz
- Gammes d'ondes
- PO uniquement
- Tension / type courant
- Appareil tous courants (CA / CC) / 240 Volt
- Haut-parleur
- HP dynamique à électro-aimant (électrodynamique)
- Matière
- Boitier en bois
- De Radiomuseum.org
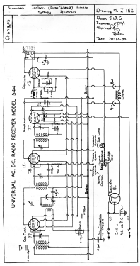
- Modèle: 544 - Stromberg-Carlson Australasia
- Forme
- Console de forme générique
- Prix de mise sur le marché
- 29.85 AUS £
- Schémathèque (1)
- - - Manufacturers Literature (Stromberg Carlson Service Bulletin No. 544.)
- Auteur
- Modèle crée par Martin Kent. Voir les propositions de modification pour les contributeurs supplémentaires.
- D'autres Modèles
-
Vous pourrez trouver sous ce lien 359 modèles d'appareils, 178 avec des images et 185 avec des schémas.
Tous les appareils de Stromberg-Carlson (Australasia) Pty. Ltd. Sydney