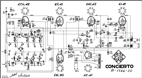
Concierto A1566-3D
Telefunken Radiotécnica Ibérica; Getafe
- Country
- Spain
- Manufacturer / Brand
- Telefunken Radiotécnica Ibérica; Getafe
- Year
- 1955
- Category
- Broadcast Receiver - or past WW2 Tuner
- Radiomuseum.org ID
- 146562
Click on the schematic thumbnail to request the schematic as a free document.
- Number of Tubes
- 6
- Main principle
- Superheterodyne (common); ZF/IF 468 kHz; 2 AF stage(s)
- Wave bands
- Broadcast plus more than 2 Short Wave bands.
- Power type and voltage
- Alternating Current supply (AC) / 125 Volt
- Loudspeaker
- 3 Loudspeakers
- Material
- Wooden case
- from Radiomuseum.org
- Model: Concierto A1566-3D - Telefunken Radiotécnica
- Shape
- Tablemodel with Push Buttons.
- Dimensions (WHD)
- 500 x 325 x 258 mm / 19.7 x 12.8 x 10.2 inch
- Price in first year of sale
- 3,975.00 ESP
- Literature/Schematics (1)
- -- Original-techn. papers.
- Author
- Model page created by Miguel Bravo-Cos. See "Data change" for further contributors.
- Other Models
-
Here you find 374 models, 296 with images and 265 with schematics for wireless sets etc. In French: TSF for Télégraphie sans fil.
All listed radios etc. from Telefunken Radiotécnica Ibérica; Getafe