Phono-Super 3975WKS (T3975WKS)
Telefunken Deutschland (TFK), (Gesellschaft für drahtlose Telegraphie Telefunken mbH
- Pays
- Allemagne
- Fabricant / Marque
- Telefunken Deutschland (TFK), (Gesellschaft für drahtlose Telegraphie Telefunken mbH
- Année
- 1939/1940
- Catégorie
- Radio - ou tuner d'après la guerre 1939-45
- Radiomuseum.org ID
- 4208
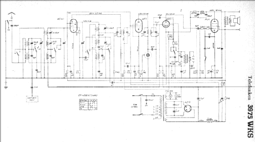
Cliquez sur la vignette du schéma pour le demander en tant que document gratuit.
- No. de tubes
- 5
- Principe général
- Super hétérodyne (en général); FI/IF 468 kHz
- Circuits accordés
- 7 Circuits MA (AM)
- Gammes d'ondes
- PO, GO et OC
- Particularités
- Tourne disque / changeur (châssis)
- Tension / type courant
- Alimentation Courant Alternatif (CA) / 110-240 Volt
- Haut-parleur
- HP dynamique à électro-aimant (électrodynamique)
- Matière
- Boitier en bois
- De Radiomuseum.org
- Modèle: Phono-Super 3975WKS - Telefunken Deutschland TFK,
- Dimensions (LHP)
- 568 x 390 x 478 mm / 22.4 x 15.4 x 18.8 inch
- Remarques
- Feldstärkeanzeige; Variable Bandbreite.
- Poids net
- 19.8 kg / 43 lb 9.8 oz (43.612 lb)
- Prix de mise sur le marché
- 375.00 RM
- Source
- Handbuch WDRG 1939 / Radiokatalog Band 1, Ernst Erb
- Source du schéma
- Lange+Schenk+FS-Röhrenbestückung
- Index des illustrations
- Das Modell ist im «Radiokatalog» (Erb) abgebildet.
- D'autres Modèles
-
Vous pourrez trouver sous ce lien 3580 modèles d'appareils, 3167 avec des images et 2126 avec des schémas.
Tous les appareils de Telefunken Deutschland (TFK), (Gesellschaft für drahtlose Telegraphie Telefunken mbH
Collections
Le modèle Phono-Super fait partie des collections des membres suivants.