- Country
- Great Britain (UK)
- Manufacturer / Brand
- Ultra Electric Ltd.; London
- Year
- 1964 ?
- Category
- Broadcast Receiver - or past WW2 Tuner
- Radiomuseum.org ID
- 175520
-
- alternative name: Ultra Radio and Television
Click on the schematic thumbnail to request the schematic as a free document.
- Number of Tubes
- 9
- Main principle
- Superheterodyne (common); ZF/IF 470/10700 kHz; 3 AF stage(s)
- Tuned circuits
- 6 AM circuit(s) 10 FM circuit(s)
- Wave bands
- Broadcast, Long Wave and FM or UHF.
- Details
- Changer (Record changer)
- Power type and voltage
- Alternating Current supply (AC) / 200-250 Volt
- Loudspeaker
- 4 Loudspeakers
- Power out
- 10 W (unknown quality)
- Material
- Wooden case
- from Radiomuseum.org
- Model: 6304 - Ultra Electric Ltd.; London
- Shape
- Console with any shape - in general
- Dimensions (WHD)
- 53 x 33.25 x 18.87 inch / 1346 x 845 x 479 mm
- Notes
- Stereo radiogram fitted with BSR type UA16 record changer. Speakers 10 x 6 inch bass plus HF units 2.5 inch Dia. Output mono 10W or stereo 4W per channel. Decoder for reception of Zenith-GE pilot tone stereo broadcasting.
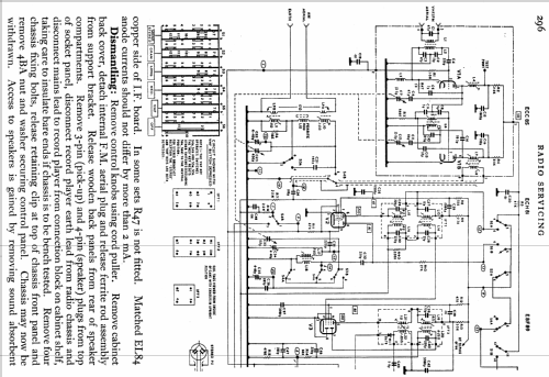
- Circuit diagram reference
- Radio and TV Servicing books (R&TVS) book
- Literature/Schematics (1)
- -- Schematic
- Author
- Model page created by Keith Staines. See "Data change" for further contributors.
- Other Models
-
Here you find 235 models, 153 with images and 149 with schematics for wireless sets etc. In French: TSF for Télégraphie sans fil.
All listed radios etc. from Ultra Electric Ltd.; London