- Pays
- Etats-Unis
- Fabricant / Marque
- Warwick Mfg. Corp., Chicago (Clarion)
- Année
- 1940 ?
- Catégorie
- Radio - ou tuner d'après la guerre 1939-45
- Radiomuseum.org ID
- 167396
-
- alternative name: Templeton
Cliquez sur la vignette du schéma pour le demander en tant que document gratuit.
- No. de tubes
- 5
- Principe général
- Super hétérodyne (en général); FI/IF 455 kHz
- Circuits accordés
- 6 Circuits MA (AM)
- Gammes d'ondes
- PO uniquement
- Tension / type courant
- Appareil tous courants (CA / CC) / 105-130 Volt
- Haut-parleur
- HP dynamique à électro-aimant (électrodynamique)
- De Radiomuseum.org
- Modèle: 9-61 - Warwick Mfg. Corp., Chicago
- Remarques
- Push-button tuning.
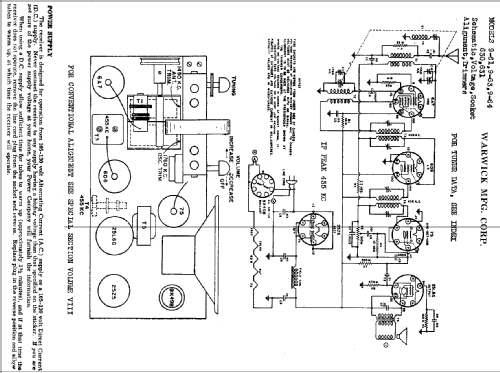
- Source du schéma
- Rider's Perpetual, Volume 11 = ca. 1940 and before
- Schémathèque (1)
- Riders 11-18, 20
- Auteur
- Modèle crée par Dirk Taekels. Voir les propositions de modification pour les contributeurs supplémentaires.
- D'autres Modèles
-
Vous pourrez trouver sous ce lien 472 modèles d'appareils, 77 avec des images et 435 avec des schémas.
Tous les appareils de Warwick Mfg. Corp., Chicago (Clarion)