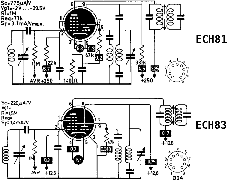
ECH83 versus ECH81
ECH83 versus ECH81
Editing 13.12.07 EE = change of title only.
To thank the Author because you find the post helpful or well done.
ECH 83 for low voltage only

The pins are identical to ECH81 but that is all.
Kind regards, Dietmar
To thank the Author because you find the post helpful or well done.
ECH83 and ECH81
Addition 11 Dec 07:
I have also asked Wolfgang Holtmann and Roy Johnson if they want to dig into this question methodically. We know already one thing:
Roy has an ECH81 plus an ECH83 with the type code YD12 - and the same for YDD (Batch code Z8E2 and ZGG3). Both YDD are made by Tungsram but the Z8E2 is labelled Mullard.
So all the 3 might come up with facts here - but no more "cooks" please - or then via eMail to them or to me. Thank you.
To thank the Author because you find the post helpful or well done.
Illustration

The attached picture illustrates Dietmar's point.
Meyer
Attachments:
- comparation (19 KB)
To thank the Author because you find the post helpful or well done.
No - please wait
These differences "everybody" knows - it has only to do with what you feed to the tube (normally).
Please wait with any answer until Dietmar plus Roy and Wolfgang have finished their research I asked for - but then it is not any more necessary ;-). We don't want "jumping to conclusions". This should not be offending because it is obvious that one can come very easily to wrong conclusions in such a situation.
Additions (in maroon):
13.11.07:
1)
There were about 10 posts from different persons (not from the 3 cooks here) - despite of my "warning" that this has not to be done in this thread. I deleted all of them. The way how to help here is given in my posts.
2)
Since I think (but only as a mere possibility) it can be that at "first time" selected ECH81 could have been used and that later production changes were made where the rule to not feed more than 30 volts is valid - we ask for a listing of Brand, Type code, Batch Code and -Date (where you know) to be poste on a new "Talk" thread. I will ask the same in German.
3)
In Post 3 I will publish a short summary about our findings after all 3 authors have agreed that we have a real solution - or whatever the final answer is.
4)
We might have similar questions on otehr tubes but this is a case for new threads posted from that tube.
To thank the Author because you find the post helpful or well done.
Comparative measurements ECH81 / ECH83 next week

Fortunately, I found 2 specimen of ECH83 in my tube collection, besides several ECH81. So the test can be done.
From the similarity of the curves it will be seen whether or not the thesis that ECH83 be a selected ECH81 is plausibel.
Remainig questions are:
- What are the criteria for such a selection?
- Why creating a new type ECH83 instead of adding an additional working point for ECH81?
- Do the tube testers have different or the same set of instructions for both types?
Best regards, Dietmar
To thank the Author because you find the post helpful or well done.
ECH81 and ECH83 examination
This has raised some interesting points and a first quick test indicated very similar current and conductance values at low voltages also on the ECH81 which gives credence to the intial article.
Examination and Coding
Physical examination of some tubes from the Mullard/Philips/Tungsram group where most tubes are marked with type and batch codes was undertaken. The results for 12 ECH81 and 19 ECH83 tubes are shown in the following table.
The type code is the first set of letters/numerals which indicates the tube type before it is printed with the usual large logo and type information; this is followed by a second set of letters and numbers which are a manufacturing site, date and batch code.
Tube Ref
|
TYPE
|
Type Code
|
Batch Code
|
Brand
|
Manufactured
|
|
|
|
|
|
|
A1
|
ECH81
|
?D1
|
?41?
|
MULLARD
|
NON-UK
|
A2
|
ECH81
|
YD1
|
B5J
|
MULLARD
|
UK Blackburn
|
A3
|
ECH81
|
YD1
|
B5H
|
MULLARD
|
UK Blackburn
|
A4
|
ECH81
|
YDD
|
Z8E2
|
MULLARD
|
TUNGSRAM
|
A5
|
ECH81
|
YD1
|
B5J
|
MULLARD
|
UK Blackburn
|
A6
|
ECH81
|
YD1
|
B6D
|
MULLARD
|
UK Blackburn
|
A7
|
ECH81
|
YD1
|
B3?
|
MULLARD
|
UK Blackburn
|
A8
|
ECH81
|
YD1
|
B6F
|
MULLARD
|
UK Blackburn
|
A9
|
ECH81
|
YD1
|
B5C
|
MULLARD
|
UK Blackburn
|
A10
|
ECH81
|
YD1
|
B4B1
|
MULLARD
|
UK Blackburn
|
A11
|
ECH81
|
DN
|
YDZ
|
MULLARD
|
NON-UK
|
A12
|
ECH81
|
DN
|
YDZ
|
MULLARD
|
NON-UK
|
|
|
|
|
|
|
B1
|
ECH83
|
????
|
B2A2
|
MULLARD
|
UK Blackburn
|
B2
|
ECH83
|
YD12
|
B??
|
MULLARD
|
UK Blackburn
|
B3
|
ECH83
|
YDD
|
Z9G3
|
TUNGSRAM
|
|
B4
|
ECH83
|
YDD
|
*2G1
|
MULLARD
|
Philips Holland
|
B5
|
ECH83
|
NJ1
|
B1J1
|
MULLARD
|
UK Blackburn
|
B6
|
ECH83
|
NJ1
|
B1J2
|
MULLARD
|
UK Blackburn
|
B7
|
ECH83
|
NJ1
|
B0J
|
MULLARD
|
UK Blackburn
|
B8
|
ECH83
|
???
|
B2A4
|
MULLARD
|
UK Blackburn
|
B9
|
ECH83
|
YDD
|
Z8G3
|
TUNGSRAM
|
|
B10
|
ECH83
|
NJ1
|
B1A
|
MULLARD
|
UK Blackburn
|
B11
|
ECH83
|
NJ1
|
B1C
|
MULLARD
|
UK Blackburn
|
B12
|
ECH83
|
NJ1
|
B9F
|
MULLARD
|
UK Blackburn
|
B13
|
ECH83
|
NJ1
|
B0J
|
MULLARD
|
UK Blackburn
|
B14
|
ECH83
|
NJ1
|
B9E
|
MULLARD
|
UK Blackburn
|
B15
|
ECH83
|
NJ1
|
B9L
|
MULLARD
|
UK Blackburn
|
B16
|
ECH83
|
NJ1
|
B8I
|
MULLARD
|
UK Blackburn
|
B17
|
ECH83
|
NJ1
|
B9D
|
MULLARD
|
UK Blackburn
|
B18
|
ECH83
|
NJ1
|
B9E
|
MULLARD
|
UK Blackburn
|
B19
|
ECH83
|
NJ1
|
B9D
|
MULLARD
|
UK Blackburn
|
The only type coding in common to both the ECH81 and the ECH83 is the YDD code for tubes made by Tungsram.
Measurements
Tubes were selected from new stock and it is believed that they are all unused and initial tests against the manufacturers ratings indicated that all were better than average new figures. They were tested on an AVO characteristic meter at 3 voltages of screen and anode and at a grid voltage of -0.2. The following results were obtained for 4 of each type.
ECH83 Results
VOLTS
|
|
ECH83 B2
|
ECH83 B3
|
ECH83 B8
|
ECH83 B9
|
AVERAGE
|
|||||
|
|
Triode
|
Hexode
|
Triode
|
Hexode
|
Triode
|
Hexode
|
Triode
|
Hexode
|
Triode
|
Hexode
|
12V
|
Ia
|
1.2
|
1.0
|
1.5
|
1.15
|
1.5
|
1.4
|
1.8
|
0.9
|
1.5
|
1.1
|
|
gm
|
0.8
|
0.5
|
0.9
|
0.6
|
1.1
|
0.7
|
0.7
|
0.5
|
0.9
|
0.6
|
|
|
|
|
|
|
|
|
|
|
|
|
20V
|
Ia
|
2.2
|
1.9
|
2.5
|
2.0
|
2.6
|
2.2
|
2.9
|
1.9
|
2.55
|
2.0
|
|
gm
|
1.0
|
0.6
|
1.0
|
1.0
|
1.4
|
0.9
|
1.0
|
0.8
|
1.1
|
0.8
|
|
|
|
|
|
|
|
|
|
|
|
|
30V
|
Ia
|
3.6
|
3.2
|
4.0
|
3.4
|
4.0
|
3.5
|
4.4
|
3.2
|
4.0
|
3.3
|
|
gm
|
1.4
|
0.9
|
1.4
|
1.3
|
1.6
|
1.0
|
1.2
|
1.1
|
1.4
|
1.1
|
VOLTS
|
|
ECH81 A4
|
ECH81 A5
|
ECH81 A7
|
ECH81 A9
|
AVERAGE
|
|||||
|
|
Triode
|
Hexode
|
Triode
|
Hexode
|
Triode
|
Hexode
|
Triode
|
Hexode
|
Triode
|
Hexode
|
12V
|
Ia
|
1.1
|
0.8
|
1.0
|
1.0
|
1.4
|
1.3
|
1.3
|
1.3
|
1.2
|
1.1
|
|
gm
|
1.1
|
0.6
|
1.0
|
1.0
|
1.1
|
0.7
|
1.1
|
0.8
|
1.1
|
0.8
|
|
|
|
|
|
|
|
|
|
|
|
|
20V
|
Ia
|
1.9
|
1.5
|
1.8
|
1.8
|
2.4
|
2.2
|
2.3
|
2.1
|
2.1
|
1.9
|
|
gm
|
1.4
|
1.0
|
1.2
|
1.2
|
1.4
|
0.9
|
1.3
|
1.1
|
1.3
|
1.1
|
|
|
|
|
|
|
|
|
|
|
|
|
30V
|
Ia
|
3.1
|
2.9
|
3.0
|
3.0
|
3.6
|
3.5
|
3.3
|
3.5
|
3.3
|
3.2
|
|
gm
|
1.7
|
1.5
|
1.6
|
1.6
|
1.9
|
1.2
|
1.8
|
1.5
|
1.8
|
1.5
|
COMPARISON OF AVERAGE RESULTS
VOLTS
|
|
ECH83 AVERAGE
|
ECH81 AVERAGE
|
||
|
|
Triode
|
Hexode
|
Triode
|
Hexode
|
12V
|
Ia
|
1.5
|
1.1
|
1.2
|
1.1
|
|
gm
|
0.9
|
0.6
|
1.1
|
0.8
|
|
|
|
|
|
|
20V
|
Ia
|
2.55
|
2.0
|
2.1
|
1.9
|
|
gm
|
1.1
|
0.8
|
1.3
|
1.1
|
|
|
|
|
|
|
30V
|
Ia
|
4.0
|
3.3
|
3.3
|
3.2
|
|
gm
|
1.4
|
1.1
|
1.8
|
1.5
|
The average anode current figures for the triode are some 17 to 20% lower for the ECH81, but less than 5% for the hexode. The average mutual conductance (gm in mA/V) are higher for the ECH81.
These figures are based on limited measurements for only four of each type and the spread within each type is as great as the difference between the average values.
Conclusions
Identical codings have been seen on ECH81 and ECH83 tubes.
There is an apparent though small consistent difference in the characteristics.
Failure of the ECH83 at high voltages could indicate a constructional difference.
Since these are the results from a limited examination, the differences are not statistically significant. It would be useful to assess further examinations and tests; in particular, codes on the Philips group tubes and possibly physical examination of the construction. If members have these types perhaps they could report the codes by mail so that we can get a better overall view.
The full characteristic graphs will also be interesting if these can be extended in voltage for the ECH83 to determine any breakdown mechanism.
It would also be interesting to try an ECH81 in a low voltage car radio. The conversion conductance may be different between the two types, but not easy to measure without a special r.f. test set-up.
Best regards to all,
Roy
To thank the Author because you find the post helpful or well done.

As Mr. Konrad Birkner already suggested,
I made a direct comparison between the ECH81 and ECH83, both with the “YD” code. To keep it simple, only the triode section was tested.
The plots of the static transfer characteristic was used as reference.
To be sure my own ECH83 (Philips) is in good condition, the red trace is quite nicely in shape with the Philips publication. Test voltage was 25 V. See below.
The next step was to compare the behaviour of the very same ECH83 at Va = 100 V, as given for the ECH81.
Again, almost no difference in the transfer characteristic of my ECH83 in comparison with the ECH81 data is visible.
We have to make a sacrifice!
To be on the safe side, I opened both tubes to look for any differences in the system itself. Even with a magnifier glass nothing worth to mention !
My conclusion:
There is no difference in construction(!) between those two tubes!
To thank the Author because you find the post helpful or well done.
far beyond the limits ...

Having regard to Mr. Roy Johnson’s Tests at Higher Voltages,
I would like to add my similar tests of the remaining two ECH83 (Philips Miniwatt, Made in
YD12 = ECH81, Rev.12
A4D = WIRAG, Wien, April 1964
YD0 = ECH81, Rev.0 (could be read as “C”)
(tri) 1H3 = triangle for PHILIPS Heerlen, Aug. 1961
When we look into the data sheets of the ECH83 and ECH81, one gets the impression we are dealing with two different tubes. It is quite understandable, better performances at low supply voltages can be obtained by reducing the spacing of the electrodes in the first place! On the other hand, this has influence on the maximum allowable Va and Vg2+4 for the heptode section and Va triode as well. In fact, for the ECH83 compared with the ECH81, they are up to ten times lower!
More details
Because of the same geometry inside, I was quite sure my ECH83’s (“YD”) will survive voltages ten times higher as allowed.
Important Note:
Normally, it is always highly recommended to pay full attention to the published maximum ratings!
However, in this case of doubts, I dare to take it a step further.
Bearing in mind the maximum values given for the ECH81, a bench test set-up was easily created. The negative bias was set for an anode current of 0.9 mA for the heptode and 0.1 mA for the triode.
In order to detect almost invisible internal sparks as well, I connected capacitors at the anodes and g2+4. They are fed to an Audio-Amplifier with speaker. With the added current limiting resistors, any malfunction should be discovered by this.
----- What a beautiful silence ....
My two ECH83’s passed the Vmax = 300 V test as stated for the ECH81.
Remarks:
All my findings are focussed on the ECH83 with the “YD” code!
I have at the moment no “NJ” types in my possession. Perhaps they may react in a different way !?
To thank the Author because you find the post helpful or well done.
ECH83 - ECH81 Measurements

The data for these measurements are:
- Triode (left hand side): U = 20 V / division, I = 2 mA / division, Rload = 6.5 kΩ
- Heptode (middle): U = 50 V / division, I = 0.5 mA / division, Rload = 85 kΩ; Ug2g4 = 100 V
- Heptode (right hand side): U = 50 V / division, I = 2 mA / division, Rload = 25 kΩ; Ug2g4 = 100 V
Please note: for both ECH83 and ECH81, the maximum voltage at the heptode section was 500 V!

- There is no gas inside the ECH83. Else its curves would break down far before 500 V are reached.
- The curves for the ECH83 and the ECH81's are very similar.
- These results support the assumption or thesis that the ECH83 be a selected ECH81.

Best regards, Dietmar
To thank the Author because you find the post helpful or well done.

We saw in the past:
n ECH83 and ECH81 with the same coding “YD”
n Even the Production Change (Revision) Code “YD D” is sometimes equal
n No great difference in system geometry between the Philips make ECH83/81
n The characteristics are (nearly) equal *)
n It turned out, the ECH83 has in fact no lower Vmax limitations
*) Several ECH81’s (NIB) are checked (plot of the Ia-Vg curve, Heptode and Triode section separately tested) against the ECH83’s factory statements.
My results: equal or even better current flow at 12.6 volts !!
The proof of the pudding….
Up to now we didn’t make a functional test under real receiving conditions! This ultimate test would prove, whether the hf-qualities between the ECH83 and ECH81 are equal too?
Suddenly I remember some experiments done with a breadboard mixer-circuitry a few years ago. The goal was to test the electrical performance of “Ersatz” vintage mixer-tubes difficult to find.
In the Philips Data Sheets I discovered a test circuitry around the ECH83:
With some minor modifications I tested all my ECH83’s and ECH81’s at 12.6 V and 6.3 V using the schematic as shown below:
The IF-output signal (470 kHz) is fed to a Selective AC-Voltmeter tuned to that frequency. At 6.3 V the output signal is 4.5 dB lower.
Conclusions:
No significant difference in the ECH81’s hf-performance in relation with the ECH83’s !
Believe it or believe it not, even with the supply voltage reduced to 3 V both tube types are still functional!
- Breadboard (65 KB)
To thank the Author because you find the post helpful or well done.
Further Tests
Type
|
Tested as ECH81
|
Tested as ECH83
|
||||||
Triode
|
Heptode
|
Triode
|
Heptode
|
|||||
Ia
|
gm
|
Ia
|
gm
|
Ia
|
gm
|
Ia
|
gm
|
|
ECH81
|
6.27
|
2.11
|
5.44
|
1.99
|
1.16
|
1.01
|
1.02
|
0.66
|
ECH83
|
6.64
|
2.02
|
5.59
|
1.94
|
1.19
|
1.09
|
1.06
|
0.72
|
To thank the Author because you find the post helpful or well done.

We are happy to welcome another cook in the kitchen: Mr. Gerhard Eisenbarth.
He was involved with the development of electron tubes at the LORENZ factory.
He has the knowledge and equipment to perform further examinations especially with his own Stereoscopic Measurement Microscope!
It was Mr. Erbs idea to initiate a „blind test“, in order to get nearer to the real background of the –possible- differences between the ECH81 and ECH83.
An independent measurement of the electrical and physical qualities was the goal.
He sent me a mixed variety of 11 tubes with all factory markings removed!! Only numbered.
I added an ECH81 and ECH83, both from Siemens with the same coding YD8!
My task was to record the transfer characteristics of each system at high tension (HT) and at low tension (LT = 6.3V) as well. Please see below.
The next step was the physical measurements, to be carried out by Mr. Eisenbarth. He will reveal his findings shortly.
Notes:
-- A warm-up time of 1 minute was allowed of each tube measured.
-- Tube No. 3 and 10 showing unusual characteristics (wear & tear)
-- To minimize overlapping of curves, I subdivided each group (1 & 2)
-- A weighting of these curves will be done later.
To thank the Author because you find the post helpful or well done.
ECH81 versus ECH83 - System Dimensions
We started a project with the question: "What is the difference between the tube ECH81 and ECH83.
Before we present our results, I would like to show how I and what resulted. For a double blind test Wolfgang Holtmann has sent 13 tubes without any marking and with the tips broken.
My task was to measure the systems of each tube to find out differences in dimensions. Wolfgang did not send me his findings nor did he tell me some results.
I opened each tube carefully in a way that I could measure the systems with my stereo measuring microscope.
The selectable zoom factors are: 5x, 10x, 20x, 40x In the highest level of magnification I can dissolve 0.0025 mm per division.
Wire diameters and thicknesses have been tested with a micrometer of a resolution of 0.01 mm per division.
Below are the isolated system parts from a tube.
The following picture shows how a grid is positioned under the stereo-microscope to measure each grid position or the differences of distances between each wire.
The minutes of measuring a tube is shown in the picture below. This has been done for each tube received.
In the table below you find the relevant distances between electrodes of the heptode systems of all 13 tubes.
All system components of the tubes are stored which enables us to do further mechanical measurements if necessary.
To thank the Author because you find the post helpful or well done.
What is what ?

No. Type Brand Code Remarks
1 ECH83 Tungsram ENO
2 ECH81 Tungsram
3 ECH81 Siemens
4 ECH83 Siemens YD7-*30 München
5 ECH83 Mazda NJ?-Aj811
6 ECH83 Valvo NJD-D2B
7 ECH81 EuroValve
8 ECH83 TFK B8201900
9 ECH81 Valvo YDC-D1B
10 ECH81 Philips YD11-A0B
11 ECH83 Valvo YD7-*3G
12 ECH81 Siemens YD8-*7G München
13 ECH83 Siemens YD8-*9B München
ECH81
Tubes No. 2, 3, 7, 9, 10, 12
ECH83
Tubes No. 1, 4, 5, 6, 8, 11, 13
To thank the Author because you find the post helpful or well done.
Further discussion on ECH81 vs ECH83

I received this message from guest Robert J. Sutherland:
I believe I have an original contribution to make to the forum discussion on the ECH81 vs the ECH83. Most if not all contributors appear to have encountered "YD"-coded crossovers of ECH81 to ECH83, but I have just acquired a Mullard ("British made") example with the etch code "NJ R9K?" (where '?' indicates illegible") that is clearly labeled "ECH81". (Incidentally, the 'R' is definitely such, and not a partial 'B', so the manufacturer is Mullard Mitcham.)
Investigating this apparent anomaly, the possibility of which I was not previously aware, took me to the discussion on your website.
One may speculate that the labelling in this particular case may be either due to the valve failing in some way to meet the necessary low-level performance required of an ECH83 (although one might wonder whether the necessary level of testing would be cost-effective for a consumer item) or (more likely) that the manufacturer was simply making up a shortfall in ECH81's by "re-purposing" ECH83's, and was content to do so in the knowledge that any difference in high-voltage performance would lie within normal tolerances. Which does rather beg the question; not merely the one raised in the forum as to why bother to introduce an "ECH83" at all, but beyond that, why take even more trouble to manufacture it as a distinct entity? (As clearly was done.)
Nevertheless, the above "ECH81/NJ" conjunction is, I believe, clear evidence that the manufacturer was comfortable with having an ECH83 operate at high voltage.
To thank the Author because you find the post helpful or well done.
ECH81 and ECH83 examination
While sorting through some ECH83 valves, I've noticed that valves with an YD code printed in the usual location on the side, often have an NJ code printed on the bottom (though not the Siemens made ones, I think). Has anyone ever looked for codes on the bottom? Especially the comprehensive code lists from Roy Johnson and Wolfgang Holtmann could benefit from adding those codes. It would also be very interesting to know whether the blind test valves have had those codes removed as well.
I've found the explanation of the location of the printed etch codes in a Philips document about industrial valves, which I hope to further process soon. In short, the code on the bottom always supersedes the code on the side. Possible applications include correcting erroneous codes and selection/binning.
While I'm convinced that (possibly after a certain date / for certain codes and revisions) the construction of the ECH81 and ECH83 is identical, this could possibly point to a selection process being applied to compensate for manufacturing tolerances within the identical design.
EDIT: It seems I had already started documenting the codes I found in this topic
To thank the Author because you find the post helpful or well done.
ECH81 and ECH83 examination

Here some samples of Philips ECH83's with an additional stamp on the bottom.
The "triangle" means, made in Heerlen (NL)
The one with an "A" are from Vienna (AT).
To thank the Author because you find the post helpful or well done.