MW-Modulator mit Differenzverstärker
MW-Modulator mit Differenzverstärker
In RMorg findet man z.B. die Entwicklungen von Herrn Heigl die dazu angeregt haben diesen Empfänger auf seine Eignung als modulierbarer AM-Prüfgenerator zu untersuchen.
Die Schaltung ist mit pnp-Transistoren ausgeführt. Wo beim Empfänger die NF abgenommen werden kann, wird hier die NF zum modulieren zugeführt. Also eine völlig symmetrische Situation.


Sowohl der Drehkondensator als auch die Ferritantenne Reste von Schrottradios.
Die Modulationseigenschaften zeigt das nächste Bild:
Die Schwingung setzt ab 12 µA ein und zeigt ein akzeptables lineares Verhalten ab 20 µA. Wählt man z.B. 50 µA als Strom, so ergibt sich eine HF-Ausgangsamolitude von 570 mVpp. Über den gesamten MW-Bereich ändert sich die Schwingamplitue um etwa 20%.
Wichtig ist die Rolle des 12 kOhm Widerstandes, der eine, nur um 20% sich ändernde Impedanz über den MW-Bereich ergibt. Bei angenommener Güte von 60 (Ferritstabspule ist Volldraht) würde sich ja die Impedanz um einenFaktor 3 über den Abstimmbereich ändern.
Die für Amateurzwecke, bis auf den Anschwingbereich ausreichende Linearität der Aussteuerungskennlinie ergibt sich dadurch, dass Stromsteuerung für die Transistoren vorliegt.
Am 15k Widerstand fällt ja etwa 1,5V - Vbe =+- 0.75 V ab und ergibt so die sehr exemplarunabhängige Stromsteuerung des Differenzverstärkers mit 50 µA.
Wechselstrommäßig sorgt auch der 10k Widerstand für Stromsteuerung. Bei einer NF-Amplitude von 100 mVeff wird der Strom durch die Transitoren von 50 +- 14 µA schwanken. Man kann damit direkt aus dem Diagramm den Modulationsgrad ermitteln.
Es ergibt sich damit eine HF-Amplitude zwischen 400...700 mVpp am Schwingkreis.Die max. Schwingamplitude ist ja begrenzt durch die Differenzspannung Vbe-Vcesat = +- 600 mVdc, entsprechend 1200 mVpp HF Amplitude, die tunlichst zu vermeiden ist, da man die Aussteuergrenzen erreicht und damit Nichtlinearitäten auftreten, die Frequenzänderungen und Modulationsverzerrungen zur Folge haben. Bei der gewählten mittleren HF Amplitude von 570 mVpp wird selbst bei einer Modulationstiefe von 100% der Sättigungszustand noch vermieden. Wie groß trotzdem eine auftretende Frequenzverwerfung ist, wurde nicht gemessen. Die folgenden Fotos zeigen die Modulationstiefe als auch die spektrale Reinheit des Schwingungen.




Möglicherweise eignet sich diese Schaltung auch als Modulator für das Scannerradio wie von Hrn. Heigl vorgeschlagen.
Eine mögliche Verwendung dieser Schaltung als fremderregtes Pendleraudion ist denkbar, da man sowohl die HF Amplitude als auch das Tastverhältnis gut einstellen kann.
Für diesen Post bedanken, weil hilfreich und/oder fachlich fundiert.
nachgebaut....
Lieber Herr Drabek
Da lacht mein Bastlerherz, wenn ich Ihre Oszillogramme betrachte! Und das mit minimalem Aufwand... Klar, das habe ich direkt heute morgen nachgebaut und erprobt.
Die Hörprobe mit einer Sinusmodulation (500 Hz) ist leider enttäuschend. Mit dem SONY ICF2001D ist die doppelte Audiofrequenz (1000 Hz) dominant sobald, etwas von der Empfangsfrequenz abgewichen wird.
Ursache: Auf den Flanken wird die (ungewollt) vorhandene Frequenzmodulation in eine verzerrte Amplitudenmodulation verwandelt.
Wie kann man das ohne viel Aufwand beweisen? Dazu habe ich den modulierten Träger oszillografiert. Wir sehen links am Triggerpunkt, dass der HF- und NF-Anteil schön "auf Vordermann" liegt. Das ist nicht mehr der Fall ganz rechts im Bild, was auf eine ungewünschte FM deutet.
Zur Kontrolle habe ich einen sauberen modulierten Träger fotografiert, dessen Modulationsgrad ist etwas geringer, was ich im nachhinein feststellen musste...
Vielleicht können Sie Ihren Schaltungsvorschlag auf oben beschriebener Weise überprüfen? Ich benutze die PNP Tansistoren BC 327. Könnte das die Ursache sein? Ansonsten sind die Oszillogramme gleich.
Übrigens, ein kleiner "Flüchtigkeitsfehler" mit der Polarität am 15k Widerstand...
Für diesen Post bedanken, weil hilfreich und/oder fachlich fundiert.
Modulator
Interessant und einfach, aber das zweite Oszillogramm gefällt mir ehrlich gesagt gar nicht. Bei m=100% ist von symmetrischer NF-Kurve kaum mehr die Rede.
Es gibt stundenlang Modulatoren, die bis ca 60% arbeiten, dann beginnt es kriminell zu werden. Das wird gern mit dem seinerzeit üblichen Modulationsgrad entschuldigt. Das heißt aber nicht, dass neben diesem Wert nicht auch Spitzen auftreten können. Vor allem nicht bei unserer Heimanwendung, denn wer verwendet schon zur Aussteuerung eine geeignete Automatik?
Der Modulator/Sender soll doch neutral arbeiten, ohne seine Schwächen beizutragen. Nur so können die verschiedenen Empfänger ihren eigenen Klang realistisch produzieren.
Bitte hier nachsehen, wie es m.E.aussehen sollte.
Trotzdem danke für den Beitrag,
KoBi
Für diesen Post bedanken, weil hilfreich und/oder fachlich fundiert.
Am-Modulator
S.g. Herr Holtmann
Ich kann leider die max. Amplitude nicht erkennen. Bei der Beschreibung habe ich darauf hingewiesen, dass bei größeren Aussteuerungen zu Nichtlinearitäten kommen kann, die ich nicht nachgemessen habe. Ev. reduzieren sie die 50 µA aut einen kleineren Wert und bleiben unter 600 mVpp.
Danke für den Hinweis über die Polarität.
Bei welchem Strom beginnt bei Ihnen der Oszillator zu arbeiten? Mit ausgesuchten Transistoren ist dies sicher auch bei kleineren Strömen als 12 µA möglich, was eine längere "lineare" Kurve ergäbe. Werde es einmal versuchen.
Die 2x Modulationsfrequenz ist merkwürdig. Ich habe leider keinen Spektrumanalyzer zur Verfügung. Haben sie ev. ein Radiogerät mit schlechterer Selektion mit der sie das nochmals prüfen können?
Ihre Beobachtung kann ich nur bestätigen! Die Frequenzmodulation bei m=50% beträgt unzumutbare 6 kHz. Damit ist die ganz einfache Schaltung nur für Abgleiche geeignet. Ich werde nachsehen, ob ein größeres Vce die Drift reduziert und um wieviel.
Eine Messung ergab folgende Werte für jeweils 10 µA Steps ab 20µA:
Amplitude in mVpp bei 1 MHz und Frequenzdrift in kHz
200 335 450 560 680 800 880 950 1100
-13 -6 -2 0 +2 +3 +2 +1 -4 bei 800 mVpp gibt's einen Umkehrpunkt!
Anbei noch zwei Modulationstrapeze aber die Drift ist zu groß. Bei mmax > 80% , man sieht auch gut den Einfluss der Schwingamplitude.


Der Umbau mit Resultaten folgt umgehend.
Lg R. Drabek
Für diesen Post bedanken, weil hilfreich und/oder fachlich fundiert.
m=100%
S.g. Herr Birkner
Sie haben natürlich recht. Ich schrieb ja, dass man den Modulationsgrad m aus dem Diagramm entnehmen kann. Es ist zu erkennen und darauf hingewiesen, dass unterhalb von 20 µA, 200 mVpp die Linearität nicht gegeben ist und möglicherweise nur für Amateurzwecke ausreichend ist. Auch wurde auf Nichtlinearitäten bei höherer Aussteuerung hingewiesen.
Man kann ja m<=50% wählen / bleiben.
Eine geänderte Schaltung mit mehr Vce, was an sich einfach möglich ist, würde einiges verbessern.Im Heimsenderlein ist auch der Aufwand größer und das Modulationstrapez perfekter.
LG R. Drabek
Für diesen Post bedanken, weil hilfreich und/oder fachlich fundiert.
Rest FM des AM-Modulators
S.g. Herr Holtmann
Leider mit ca. 6V Vce noch mehr FM. Über den Aussteuerbereich bei 1 MHz nun 46 kHz. Geht in die falsche Richtung. Ist ja fast ein Wobbler. Hi

Nachdenkpause angesagt.
LG R. Drabek
Für diesen Post bedanken, weil hilfreich und/oder fachlich fundiert.
Gewollte AM und ungewollte FM
Hallo Herr Drabek
Sie haben hier und bei vergleichbaren Schaltungen ja einen Schwingkreis mit positiver Rückkopplung.
Durch die Rückkopplung tritt nun im Schwingkreis ein zusätzlicher komplexer Widerstand auf. Je nach dem wie sie es rechnen, können sie die Auswirkungen der Rückkopplung entweder als zusätzlichen komplexen Widerstand in Serie mit Kondensator und Spule oder als zusätzlichen komplexen Widerstand parallel zu Spule und Kondensator beschreiben.
Gehen wir mal von einem zusätzlichen komplexen Widerstand in Serie mit Kondensator und Spule aus. Der Realteil dieses komplexen Widerstandes stellt einen zusätzlichen scheinbaren ohmschen Widerstand im Schwingkreis dar. Dieser ist bei positiver Rückkopplung (zumindest für einen bestimmten Parameterbereich der Schaltung) negativ und kann damit die Verluste im Schwingkreis (hauptsächlich durch die Spule) kompensieren, den Schwingkreis also entdämpfen. Je nachdem wie stark die Entdämpfung ist, ist die Schaltung entweder ein Rückkopplungsempfänger oder ein Oszillator. So weit, so gut, das dürfte auch den meisten in dieser Form bekannt sein.
Nun hat der durch die Rückkopplung scheinbar im Schwingkreis auftretende komplexe Widerstand aber in den meisten Fällen auch noch einen Imaginärteil und dieser resultiert in einem zusätzlichen scheinbaren Blindwiderstand in Serie mit Spule und Kondensator im Schwingkreis. Durch diesen zusätzlichen Blindwiderstand tritt natürlich nun eine Verstimmung des Schwingkreises auf. Ist der Blindwiderstand positiv wird die Resonanzfrequenz erniedrigt, ist der Blindwiderstand negativ wird die Resonanzfrequenz erhöht.
Und hier liegt das Problem. Bei dieser und ähnlichen Schaltungen wird die Rückkopplungsstärke mit Hilfe einer angelegten NF Spannung oder eingeprägtem NF Strom verändert. Das führt natürlich einerseits über die Änderung des zusätzlichen scheinbaren ohmschen Widerstandes im Schwingkreis (Realteil des zusätzlichen komplexen Widerstandes) zu einer Amplitudenmodulation, andererseits über die Änderung des zusätzlichen scheinbaren Blindwiderstandes im Schwingkreis (Imaginärteil des zusätzlichen komplexen Widerstandes) zu einer Frequenzmodulation.
Das gleiche Problem dürften sie übrigens auch bei einer einfacheren Version der obigen Schaltung
haben, wenn sie z.B. ein Emitterfolger Audion wie hier vorgestellt als Oszillator verwenden und
die NF am Emitter einkoppeln.
Gruß Jochen Bauer
Für diesen Post bedanken, weil hilfreich und/oder fachlich fundiert.
Reaktanzmodulation
S.g. Herr Bauer
In den Anfangszeiten der FM-Modulation hat man das Prinzip verwendet. Nachdem der Oszillator ja über die Steilheit moduliert wird, tritt dies deutlich auf, was ich nicht beachtet habe. Im Gegenteil, der BC179 mit 5 pF Ccb bei 10V ist ja geradezu ein Paradeexemplar für eine Reaktanzstufe.
Ihr sehr hilfreicher Beitrag hat mich bestärkt nach einem Transistor mit
1. kleinem Ccb und
2. kleinem Ausgangsleitwert zu suchen, bzw den Kreis mit niedrigerer Impedanz auszustatten.
Die Messergenisse werden zeigen, ob eine Rest-FM von ca. < 1 kHz bei m=50% zu erreichen ist. Noch ist es interessant zu sehen, ob es möglich ist. Den Kreis zur Entkopplung anzuzapfen möchte ich noch vermeiden. Es wird etwas dauern.
Für diesen Post bedanken, weil hilfreich und/oder fachlich fundiert.
Entdämpfung ohne Verstimmung
Hallo Herr Drabek
Zumindest theoretisch gibt es auch Rückkopplungsschaltungen bei denen nur ein scheinbarer
ohmscher Widerstand aber kein scheinbarer Blindwiderstand im Schwingkreis auftritt. Dadurch
findet eine Entdämpfung ohne Verstimmung statt. Eine Möglichkeit ist die induktive Rückkopplung
über eine Rückkopplungsspule, die von einer idealen Stromquelle gespeist wird, deren Strom proportional zur Spannung am Kondensator im Schwingkreis ist. Siehe folgende Abbildung:

Die Spannung U0(t) ist die eingekoppelte Antennenspannung falls die Schaltung als
Rückkopplungsempfänger betrieben wird. Der Widerstand R beschreibt die Verluste im Schwingkreis.
Der Strom If(t) durch die Rückkopplungsspule Lf sei If(t)=S*UC(t) wobei UC(t) die Spannung am
Kondensator ist und S die Steilheit der spannungsgesteuerten Stromquelle angibt. Unter diesen
Voraussetzungen kann gezeigt werden, dass die positive Rückkopplung nur einen scheinbaren
negativen ohmschen Widerstand aber keinen scheinbaren Blindwiderstand im Schwingkreis auftreten
lässt.
In der Praxis ist die spannungsgesteuerte Stromquelle dann ein JFET, MOSFET oder auch eine
Pentode. Diese Bauteile verhalten sich in der Praxis natürlich nur in einem kleinen Aussteuerbereich näherungsweise linear.
Gruß Jochen Bauer
Für diesen Post bedanken, weil hilfreich und/oder fachlich fundiert.
Entdämpfung ohne Verstimmung
Hallo Herr Bauer
Die Darstellung von ihnen kannte ich noch nicht, aber früher habe ich gerne, zum besseren Verständnis, die Abläufe in nur einfachen Schaltungen im Zeitbereich dargestellt. Das Arbeitsbltt "andere Frequenz" wurde um den Parameter "Verstärkung" ergänzt. Es ist interessant zu sehen wie bei niedrigen Q-Werten und entsprechend hoher Verstärkung der Phasenwinkel zwischen u / i immer mehr von 90° abweicht, was natürlich so sein muss.
Ein entsprechendes Excel mit ihrem Input zeigt folgendes Bild, in dem man sowohl den Verlustwiderstand als auch die Verstärkung ändern kann. Es werden nur die Differenzengleichungen angewendet und keinerlei Winkelfunktion natürlich. Wird die Verstärkung geändert so sieht man, dass die Periodendauer, bis auf das Einschwingverhalten, konstant bleibt, was ja der Kern ihres Berichtes ist. Eine Bemerkung zum Excel: die Verstärkung ist auf das Zeitincrement bezogen und so von der Anzahl der Punkte/Periode abhängig.

Die Exceldatei, zum spielen mit den Werten, im Anhang.
Falls Leser des Berichtes Interesse haben den Beweis zu sehen, warum eine Periode 2PI dauert, obwohl in den Differenzengleichungen kein PI vorkommt, bitte um Nachricht. Es ist eine von diesem Thread unabhängige Sache.
Anlagen:- Schwingkreis im Zeitbereich (111 KB)
Für diesen Post bedanken, weil hilfreich und/oder fachlich fundiert.
verbesserte Schaltung und Abschlussbericht
S.g. Herr Holtmann
Folgende Änderungen bringen bei m=50% eine deutliche Verbesserung, sodass nur noch bei 1600 kHz eine leichte FM zu bemerken ist. Wird sich nur mit sehr selektiven Geräten auswirken.
Bei 510 und 1000kHz merke ich, mit dem ELIN-Empfänger meiner Radiosammlung, nichts mehr Störendes. Bei 510 kHz ist die Rest-FM < 1 kHz.
15k DC-Vorwiderstand auf 100k Speisespannung nun 10-11 V für 100 µA statt bisher 50 µA
12k Dämpfungswiderstand auf 4k7 ändern
Modulations-NF nun 300 mVeff für m=50%
Spule mittig anzapfen, sodass Einflüsse von dynamischen Kapazitäten auf 1/4 reduziert werden. Eine Anzapfung bei 1/3 würde die Rest-FM auf 1/10 reduzieren. Die Anzapfung von 50% ergab sich dadurch, dass eine Probemessung der Teilwicklung zufällig 1/4 der nötigen Induktivität ergab. Anzapfung bei 1/3 bringt, nicht nachgemessen, möglicherweise bei der Spule auf Ferritstab schon ein Kopplungsfaktorproblem der Spulenteile. Der Dämpfungswid. müsste dann angepasst werden und prüfen, ob die Kopplung noch ausreichend ist.
Natürlich würden auch HF-Transistoren eine weitere Reduzierung der Rest-FM bringen.
Ich danke Ihnen und Herrn Birkner für ihre Kritk, sonst hätte ich nichts verbessert und ev. einen schlechten Ruf riskiert. Noch ein Hinweis mit 82k Stromspeisung läuft alles mit einer 9V-Batterie. Der Ferritstab strahlt etwa 2 m weit.
Editorial: Ich kann keine Bilder mehr hochladen, gibt es eine Begrenzung der Anzahl? Habe eine andere Methode gefunden.
Anlagen:
- Aubau_neu (55 KB)
- Rest_FM_1600 (10 KB)
- Trapez_m50 (7 KB)
- m50 (30 KB)
Für diesen Post bedanken, weil hilfreich und/oder fachlich fundiert.
---
Lieber Herr Drabek
Alle Achtung für Ihren Einsatz, den Oszillator doch noch verwendungsfähig zu machen.
Es ist schon sehr schwierig einen Oszillator in der Amplitude zu modulieren, ohne das der Effekt einer ungewollten FM in Kauf genommen werden muss. Herr Bauer hat uns das sehr schön auseinandergesetzt.
Irgendwie haben Schaltungen mit extrem geringen Aufwand einen besonderen Reiz. Ich denke da an die diversen Reflexschaltungen, etwa an einen "2-Transistor Superhet", oder an diesen Heimsender.
Obwohl auch hier der Oszillator moduliert wird, ist die Rest-FM tragbar. Mein Kontroll-Oszillogramm im Post 2 stammt davon...
Viel Spaß weiterhin.
MfG
Für diesen Post bedanken, weil hilfreich und/oder fachlich fundiert.
m > 100%
S.g. Herr Birkner
Mit einem 4-Quadrantenmultipliierer wie dem NE602 sollten Modulationsgrade bis 100% und darüber hinaus kein Problem sein. Ein Probeaufbau zeigt auch das entsprechende Resultat, aber beim NE602 ist keine Trägerbalanzierung möglich, leider.

Wie man erkennen kann, ist eine Modulation durch 100% hindurch möglich, aber die sehr helle Umhüllende ist verdächtig auf Oberwellen, wie das folgende Bild zeigt.

Unsymmetrischer Träger mit starker Phasenmodulation. Der NE602 ist gut als Mischer verwendbar, wenn im Ausgang Selektion vorliegt. Dieser IC kommt als Modulator nicht in Frage. Die negativen Begleiterscheinungen sind zu zahlreich. Der IC hat nur 8 pins und damit fehlen die EIngriffsmöglichkeiten.

Der Oszillator schwingt mit 3Vpp konstant über den MW-Berich an Pin 6, sodass der Mischer zu stark ausgesteuert wird, was an sich für den geplanten Verwendungszweck nicht nachteilig ist, aber als Modulator zu viele Oberwellen produziert.
Den internen Bias kann man nur an Pin1 und 2 erreichen. Damit kann der Modulationsgrad von nur Doppelseitenband auf normale AM-Modulation justiert werden, aber mehr nicht.
Konklusion: nächster Versuch mit SO42P, der mehr Justiermöglichkeiten hat, aber für die Anwendung als Modulator einen externen Oszillator erfordert.
Für diesen Post bedanken, weil hilfreich und/oder fachlich fundiert.
OTA-Modulator
Hallo Herr Drabek,
Damals vor 5 Jahren bat mich ein Freund seine beiden frisch erworbenen kleinen Bausätze zu überprüfen und zu justieren. Grundsätzlich funktionierten die Dinger, aber die Wiedergabe klang merkwürdig verzerrt bei halbwegs mit dem Ortssender vergleichbarer Lautstärke.Nur bei erheblich reduzierter Aussteuerung klang es erträglich, aber viel zu leise.
Bei näherer Betrachtung entpuppte sich die Schaltung als modulierter Oszillator. Verschiedene Änderungsmaßnahmen brachten kaum Verbesserung.
30%
50%
60%
Beide Exemplare ergaben identische Ergebnisse... schauerlich, kein Wunder, dass der Klang nicht zusagte (der Urheber behauptete allerdings, dies sei der "alte" Klang...).
Um voll durchmodulieren zu können muss der Oszillator auch bei minimaler Amplitude noch sauber schwingen. Das schien mir kaum möglich, allein schon wegen der stark veränderten Verstärkung in Nullpunktnähe.
Ich gab den Gedanken auf, weitere Zeit auf die Oszillatormodulation zu ver(sch)wenden.
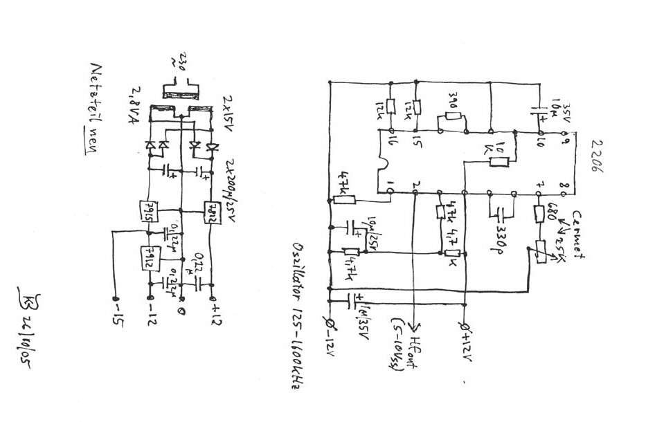
Nach Erfahrungen mit dem Röhren-Modulator wollte ich etwas gleichwertiges mit Bastlermitteln verwirklichen. Dabei stieß ich auf den Transkonduktanzverstärker (OTA) NE5517N, der als LM13700 angeboten wurde. Da es hierfür ausführliche Applikationsvorschläge gab, war es relativ einfach, eine Schaltung zu entwerfen. Das Ergebnis war überzeugend, der Aufwand natürlich bedeutend höher. Nicht nur wegen des getrennten Oszillators, sondern auch wegen des aufwendigeren Netzteils
(+12 V; -12 V; -15 V).
100%
480 & 60 kHz 100% 
Anlagen:
- Modulator Schaltung (62 KB)
- Oszilllator & Netzteil, Schaltung (94 KB)
Für diesen Post bedanken, weil hilfreich und/oder fachlich fundiert.
perfekter m=100%
Hallo Herr Birkner
Eine sehr gute Lösung. Aber , wie sie sagen, aufwendig.
Apropos: so kann der gute alte Klang wirklich nicht gewesen sein.
Die Schaltung mit dem S042P evaluiere ich noch. Es wird sicher ausgezeichnet funktionieren, da das Prinzip dem Modulator des VCR's N1502 Videorecorders entspricht. Damals auf 600 MHz. Der war extrem linear, da sonst eine Intermodulation zwischen Ton- und Farbträger aufgetreten wäre und eine unakzeptable 1,1 MHz-Streifigkeit im Bild bewirkt hätte. Übrigens: die jap. Videorecorder hatten damals noch Diodenmodulatoren, zumindest einige.
Als Modulation wird eine Dreiecksspannung vorgesehen, die ja nur dtot= 11% hat. Zumindest sollte dieser Oszillator mit einem Transistor in einer komischen Schaltung sein, wenn es wie gedacht funktioniert. Aber der Vorteil gegenüber dem ursprünglichen modulierten 2-Transistoroszillator ist eigentlich nur die garantiert verzerrungsferie Modulation bis über 100% und keinerlei Rest-FM. Der Mehraufwand ist ja nur der IC und die geringe Peripherie.
Es wird etwas länger dauern.
LG R. Drabek
Für diesen Post bedanken, weil hilfreich und/oder fachlich fundiert.
Schwierige Beschaffungslage: abgekündigte Bauelemente
Nachdem wir uns vom eigentlichen Thema inzwischen schon entfernt haben, möchte ich hier meine Erfahrungen zum Thema Modulator beisteuern.
Prinzipiell gibt es etliche Methoden, gute Modulatoren zu bauen. Oder besser gesagt: Gab es. Denn fast alle der dazu benötigten, früher alltäglichen Bauelemente werden inzwischen nicht mehr hergestellt und sind allenfalls noch in Reststückzahlen zu bekommen. Das stellt Schaltungsentwickler, die "mal eben etwas ausprobieren" wollen, oder die ein Nachbau-Projekt entwickeln, vor fast unlösbare Probleme. Manche ICs, wie z.B. S042P oder NE602, sind so gut wie ausgestorben.
Zu den noch relativ gut erhältlichen ICs gehört der von Herrn Birkner genannte OTA LM13700, der als AM-Modulator tatsächlich sehr gute Ergebnisse liefert. Dazu wird noch ein separater Oszillator benötigt, den Herr Birkner mit einem XR2206 realisiert.
Dieser XR2206 wird ebenfalls nicht mehr hergestellt, ist aber auch noch relativ gut und preiswert erhältlich. Er verfügt über integrierte AM- und FM-Modulatoren und ist der zentrale Baustein im fast schon legendären RMorg-Heimsenderlein. Mit diesem Baustein lassen sich bei geringem Aufwand immer noch sehr gute Modulatoren bauen, bis hin zum Vier-Quadranten-Betrieb mit m>>100. Dem XR2206 werden einige Schwächen nachgesagt, die aber relativ einfach beherrschbar sind. Dazu sind beispielsweise folgende Punkte zu beachten:
- Aus Stabilitätsgründen ist besonders im Vierquadrantenbetrieb eine bipolare Speisung mit z.B. +- 9V ratsam. Ggf. tut es auch eine asymmetrische Speisung mit künstlichem Mittelpunkt.
- Eine hohe obere Frequenzgrenze von z.B. 1,5 MHz lässt sich durch eine sehr kapazitätsarme, niederohmige (unterer kOhm-Bereich) Beschaltung des Pins 3 erreichen. Durch diese Maßnahme reduziert sich zugunsten eines guten Frequenzganges allerdings die max. erreichbare Ausgangsamplitude.
- Das Durchschlagen der NF durch den Modulator (neg. Vorzeichen) lässt sich sehr einfach durch anteilges Aufsummieren des NF-Signals auch auf Pin 3 (Trimmpoti in Reihe) kompensieren.
- Auf den Symmetrie- bzw. Klirrfaktorabgleich des Trägers bzw. des Ausgangssignals kann man durch Festwiderstände verzichten.
- Der Modulatoreingang Pin 1 muss mit einem einstellbaren Offset beaufschlagt werden, um den richtigen Arbeitspunkt festzulegen. Das kann entweder mit einem passiven R-Netzwerk erfolgen oder entkoppelt und rückwirkungsfrei über einen zusätzlichen OP. Mit diesem Offset wird z.B. im Vierquadrantenbetrieb die optimale Trägerunterdrückung bei fehlendem Modulationssignal eingestellt.
- Ein Frequenzzähler kann an den OC-Ausgang Pin 11 angeschlossen werden. Zur Verringerung des Übersprechens in das Ausgangssignal sollte die Amplitude dort allerdings so niedrig wie möglich gehalten werden (Pullup-Widerstand nicht an die volle Betriebsspannung legen und Entkopplungs-Komparator verwenden).
Noch gibt es analoge Präzisions-Multiplizierer aus laufender Fertigung zu kaufen, mit denen sich Modulatoren mit annähernd idealen Eigenschaften bei minimaler externer Beschaltung schnell und einfach aufbauen lassen. Ein separater Oszillator ist allerdings erforderlich. Modelle in klassischen Nicht-SMD-Gehäusen sind z.B. AD633 und AD734. Qualität hat allerdinge auch ihren Preis: Der LowCost-AD633 ist höchstens noch am unteren LW-Bereich einsetzbar. Der AD734 hingegen kostet so um die 25,- €, ist dafür allerdings ein richtiger Präzisions-Allrounder, einsetzbar bis in den KW-Bereich hinein.
Für diesen Post bedanken, weil hilfreich und/oder fachlich fundiert.
ja, die Amateure haben es schwerer
S.g. Herr Steinmetz
Ich stimme mit Ihnen überein. Die Intergrationsdichte wird immer höher, ebenso dir Pinzahl von Bausteinen. Bald können Private, die keine Chipbestückmaschine haben, oder Pick und Place einfachster Art nur noch wenig realisieren.
Nun, vom Modulator sind wir noch nicht weg, ich arbeite ja daran. Wer keinen S042P mehr findet, es kann auch der noch schwerer beschaffbare TCA 240 auch sein, muss den Kern, eine Gilbert Cell aus diskreten Transistoren realisieren. Im Prinzip sind es ja nur 2 LongTailedPair's die man verwenden kann. Es geht an sich auch mit einem LTP, siehe PM 5324, aber man muss die NF wegkompensieren, was nicht gerade elegant ist.
Pollin hat gerade MC 1596 Abverkauf, ein schöner 4Quadrant-Multiplizierer.
Es gibt außerdem SMD-Transis bis 6 GHz, mit denen man so eine Gilbert Cell zusammenstellen kann. Vielleicht macht jemand ein kleines Layout?
In der Zwischenzeit wird, bzw. ist schon die Entscheidung für den NF-Modulationsoszillator gefallen. Es wird kein Avalancheoszillator mit einem Transistor, linkes Bild, da es nicht gelang eine symm. Dreieckspannung damit zu realisieren. Es ist jetzt ein Wienbrückenoszillator, bestehend aus 2 Transistoren als Differenzverstärker geschaltet. Die Schaltung ist wieder so, dass der eingestellte Summenstrom die Schwingamplitude bestimmt. Statt einem LC-Schwingkreis ist eben die Wienbrücke vorhanden.
Schaltungen anbei. Ich weiss nicht, ob eine Beschreibung sinnvoll wäre.

Zum S042P fehlt im Moment etwas Zeit.
Für diesen Post bedanken, weil hilfreich und/oder fachlich fundiert.
LM13700
Hallo Konrad,
mit diesem LM13700 hast Du eine hervorragende Entdeckung gemacht ! Das Modulationsdreieck sieht ja exzellent aus !
Da ich sowas für 24 h Dauerbetrieb vorsehen möchte, wäre der Stromverbrauch des eigentlichen Modulator- Teils interessant zu wissen.
Dieses IC schreit direkt danach, beide Teile als Modulator zu verwenden, - als NF- Vorverstärker sind ja beliebig viele andere Schaltungen geeignet.
Ich könnte mir vorstellen, nach der Abschaltung aller AM- Sender in Deutschland einen Kanal des LM13700 zum Rebroadcasten des DLF auf 153 oder 207 kHz zu verwenden und den zweiten Kanal zur Übertragung eines noch halbwegs erträglichen Pop- Programms, z. B. SWR1 oder RTL 93,3 auf Mittelwelle.
Eine Herausforderung wird darin bestehen, beide Signale auf eine Loop- Antenne zu koppeln. Als HF- Oszillator- Quellen kommen bei mir nur PLL- Schaltungen in Frage, anders geht es nicht.
Ich betreibe bisher immer noch mein Dual-Gate FET- Heimsenderchen, aber auch hier besteht das Problem, dass diese Dual-Gate FET's eine aussterbende Spezies sind. Dazu kommt sehr unpassend deren Empfindlichkeit gegen Überspannungen. Mehrere FET's sind schon durch Blitzeinschläge in mittlerer Entfernung gestorben, so dass irgendwann der Vorrat zu Ende ist. Daher habe ich ein Interesse an einer alternativen Schaltung.
M. f. G. Jacob
Für diesen Post bedanken, weil hilfreich und/oder fachlich fundiert.
In memorian Konrad Birkner
Leider werde ich nun keine geschätzte Antwort mehr bekommen. Wir hatten ja nur wenige Kontakte, die nun plötzlich endeten. Am 8. August war alles noch im Lot.
Mir fehlen die Worte. LLG Rudi Drabek
Der nachfolgende Abschlussbericht ist Herrn Birkner gewidmet, der "schon oft Modulationsgrade unter 100% sah", wie er am Beginn des Threads feststellte.
Der S042P als Modulator ist kaum mehr zu beschaffen, aber mit 6 Transistoren zu realisieren. Die einzige Schwierigkeit wird die Paarung auf Vbe sein, Die Differenz sollte unter 2...8 mV bleiben. Für den MW-Bereich werden BC54x Typen reichen.

Die nachfolgenden Bilder würden ihn freuen, so hoffe ich.

m50% m120%
.jpg)
.jpg)
m100% das Trapez dazu


Modulationsgüte keine Rest_FM
Das Potentiometer für den Modulationsgrad und die NF sind gemeinsam einzustellen. Da keine HF-Trafos zur Verfügung standen ist der Träger unsymmetrisch angekoppelt. Gleiches gilt für den Ausgang, wo es im Schaltbild angedeutet ist.
Für diesen Post bedanken, weil hilfreich und/oder fachlich fundiert.
Stromverbrauch OTA // S042P-Ersatz
@ Jacob Roschy:
Du fragst nach dem Stromverbrauch des eigentlichen Modulatorteils im OTA-Modulator von Herrn Birkner. Dazu hilft ein Blick in den Schaltplan unter Nr. 14 weiter, denn dort hat Herr Birkner in weiser Vorausschau die an den drei Versorgungsspannungen gemessenen Ströme angegeben! Diese 25 mA Gesamtstrom verteilen sich rechnerisch in etwa wie folgt:
- Eingangs-Emitterfolger: ca. 1 mA
- erster Darlington: ca. 5 mA
- zweiter Darlington: ca. 4 mA (geschätzt)
Bleiben von den gesamten 25 mA also noch etwa 15 mA für die beiden OTAs, also ca. 7,5 mA je OTA.
Leider sind beide OTAs in einem Gehäuse mit gemeinsamer Betriebsspannungszufuhr untergebracht. Wenn es gelingen sollte, den ersten OTA durch geeignete Beschaltung stromsparend stillzulegen und stattdessen einen LowPower-OP zu verwenden, dann könnte man insgesamt Strom sparen und mit dem zusätzlichen OP gleich noch eine Filterfunktion realisieren.
Oder noch besser: Man benutzt beide OTAs für zwei voneinander unabhängige Sender/Modulatoren und verwendet einen LowPower-Doppel-OP für die Vorstufen.
@ Rudolf Drabek:
Die nachgetragenen Ergebnisse für den S042P sprechen für sich. Das Problem bei LongTailedPairs bzw. Gilbert Cells ist ja nicht nur die statische Symmetrie der Transistoren, sondern auch die temperaturabhängige Drift. Enge thermische Kopplung ist also angesagt, sowie diverse Einstellmöglichkeiten z.B. zur optimalen Träger-Unterdrückung bei m = 100%. Das machen die üblichen Analog-Multiplizierer mit ihren Laser-getrimmten Widerständen und Ein-Chip-Designs ja auch nicht anders. Nur eben viel besser als wir mit unseren externen Aufbauten und u.a. mit gematchten Doppeltransistoren, die es inzwischen aber auch kaum noch gibt. Ein vielleicht vielversprechender Lösungsansatz wären die berühmten Transistor-Arrays CA3046 bzw. CA3086. Bestimmt sind die auch inzwischen abgekündigt, aber sieht es mit der Lieferbarkeit von Restbeständen vielleicht doch gar nicht so schlecht aus? (Alternativ LM3046 als SMD bzw. TBA331.)
Für diesen Post bedanken, weil hilfreich und/oder fachlich fundiert.
Trägerunterdrückung bei m=100%
Hallo Herr Steinmetz,
An sich muss man ja nicht unbedingt den 4-Quad. IC anwenden. Die Hälfte genügt an sich, nur muss man dann die NF im Ausgang z.B. kurzschliessen, wie es auch hier gemacht wird.
Ein interessantes Detail: der nicht kompensierbare Restträger hat natürlich 90° Phasenverschiebung zum Nutzträger. Wenn es nicht so wäre, könnte man ihn ja wegbalanzieren. Beim Philips VCR N1502 mit 600 MHz Modulator war dies nur durch konsequente symm. Ansteuerung zu lösen ( anno 1972).
Noch dazu ist 600 MHz "keine Klingelleitung" mehr.
Die differenzielle Temperaturdrift bei diskretem Aufbau eines 4-Quadr. ist natürlich richtig.
Möglicherweise, aber dies ist persönliche Ansichtsache, reicht auch die diskrete Variante anstelle eines OTA, der auch in der Frequenz beschränkt ist.
Anstelle des S042P wäre ja der TCA240 besser, da er noch je eine Stromquelle für jeden Zweig des 4-Q hat, sodass die NF nicht teilweise durchschlägt. Aber selbst das könnte man bei der diskreten Variante vorsehen. Aber das sind schon sehr tiefe Details.
TCA240 intern:

Danke für ihren Kommentar.
LG R. Drabek
Für diesen Post bedanken, weil hilfreich und/oder fachlich fundiert.
°
Leider wird uns nun Konrad nicht mehr antworten können !
Seinen Rat über Heimsender und Modulatoren habe ich besonders geschätzt !
Ein großer Verlust für das RM und alle, die sich mit historischer und aktueller Radiotechnik befassen. Ruhe in Friede, KoBi !
@ Andreas Steinmetz:
hätte ich mir das Schaltbild genauer angesehen, hätte sich meine Frage erübrigt !
Bei diesen Strömen, und dies bei ± 12 V, ist diese Schaltung für mich nun doch nicht mehr so interessant, so schön wie das Modulationsdreieck auch aussehen mag.
Im Gegensatz dazu begnügt sich die Dual-Gate FET- „Endstufe“ mit gerade mal 1,5 mA bei +9 V, um ein souveränes Signal innerhalb der Loop-Antenne zu erzeugen.
Wegen des hohen Verbrauchs werde ich die hier behandelten Schaltungen eher nicht mehr weiter verfolgen und mich nach anderen Möglichkeiten umsehen.
Grüße, Jacob Roschy
Für diesen Post bedanken, weil hilfreich und/oder fachlich fundiert.
1,5 mA Modulator
Hallo Herr Roschy
Hier ist ein hervorragender Beitrag über Modulatoren und auch Detektoren.
Speziell der Squarelaw Modulator. Für Dioden als auch Transistoren, JFet's oder Röhren. Solange man im quadratischen Teil der Kennlinie bleibt.
Ein Teil dieses Beitrages als Anhang, als Bild unleserlich. Das könnte für ein Heimsenderlein den Doppelgate Fet ersetzen.
LG Rudi D.
Anlagen:
Für diesen Post bedanken, weil hilfreich und/oder fachlich fundiert.
S042P Ersatz durch diskrete Transistoren
S.g. Herr Steinmetz
Nachdem der diskrete Nachbau doch heikel sein kann, ein pinkompatibler Ersatz mit pnp-BC251B Transistoren, die mir Herr Heigl geschenkt hat.
Zum Paaren ist dieses Gerät gut geeignet, ebenfalls ein Nachbau.

Der Aufbau des diskreten S042Pist einer Siemens Modulbauweise aus den 60ern nachempfunden.
.jpg)
Die Isolierschläuche sind aus Silikonmaterial. Es ist kein Fake wie das folgende Bild zeigt, samt Ergebnissen. Beim Nachbau bitte auf +- wegen pnp achten.

Die unterschiedliche Amplitude der Oszillogramme ist auf den RC- bzw RL-Hochpass an den beiden Ausgängen zu erklären.
Damit ist die schwierige Beschaffbarkeit des S042P auch keine Problem mehr. Die Pinkompatibilität muss ja nicht sein. Aber zu ausgebreitet soll der Aufbau nicht sein, da dann allerhand Verkopplungen auftreten könnten.
Eine vereinfachte Schaltung so wie im SSTRAN, die aber nur fast bis m=100% geht ist verfügbar.
Für diesen Post bedanken, weil hilfreich und/oder fachlich fundiert.
Verfügbarheit des S042P
Sehr geehrte Herren!
Vielleicht habe ich etwas übersehen, aber ein spontaner Blick in das bekannte Online Auktionshaus weist aktuell zwei Auktionen mit 4 Stück der S042P IC`s mit zudem moderaten Preisvorstellungen aus.
Geht es hier um den bewusst diskret gewählten Aufbau aus experimentellen Gründen oder einer geplanten Massenfertigung von einigen 100 Stück für die es möglicherweise tatsächlich keine brauchbaren Quellen gibt?
Sonst wäre der Nachbau ja auch so kein Problem.
LG Scheida
Für diesen Post bedanken, weil hilfreich und/oder fachlich fundiert.
bewusst diskret
S.g. Herr Scheida
Es geht nur darum zu zeigen, dass man für den MW-Bereich keinen S042P braucht, sondern man selbst für Ersatz sorgen kann.
Abschließend noch ein Bild mit Hochpass im Ausgang, der den Sinus ein wenig spitz macht. Deshalb noch ein Foto ohne HP, ein oberwellenarmer Sinus und noch etwas überlagerter Modulationsspannung weil der S042P keine Stromquelle "unten" hat wie der TCA 240. Aber mit geeignetem Trafo im Ausgang tritt das nicht in Erscheinung, wie schon geschrieben. Träger 100 kHz, Modulation mit 5 kHz. Ein reines DSB-Signal mit gut sichtbarem Phasensprung, wie es sein muss.

Ich danke für das Interesse.
LG Rudi Drabek
Für diesen Post bedanken, weil hilfreich und/oder fachlich fundiert.
Modulationsdreieck, Stabilität
Es ist sehr lobenswert, dass jemand sich jetzt tatsächlich mal die Mühe gemacht hat, die Schaltung diskret aufzubauen. So haben wir die Möglichkeit, praktische Messungen durchzuführen (durchführen zu lassen) und damit zu untermauern oder vielleicht sogar teilweise zu widerlegen, was zu dem Thema aus den Lehrbüchern bekannt ist.
Die Oszillogramme sind durchaus vielversprechend. Könnten Sie vielleicht ein Modulationsdreieck darstellen, um Linearität und Aussteuerungsgrenze besser beurteilen zu können?
Weiter würde mich interessieren, wie es um die Stabilität der Anordnung, besonders hinsichtlich Temperatur und Spannungsversorgung, bestellt ist. Dabei müssen wir hier nicht gleich hochwissenschaftlich vorgehen; schon grobe Auskünfte wie z.B. "unter Zimmertemperatur für normale Ansprüche völlig ausreichend" oder "driftet bei jedem kleinen Windzug weg, in der Praxis untauglich" würden einen ganzen Schritt weiterhelfen. Welche Parameter (z.B. Linearität, Trägerunterdrückung oder nur DC-Offset?) sind besonders temperaturabhängig, welche weniger?
Für diesen Post bedanken, weil hilfreich und/oder fachlich fundiert.
S042P diskret
Temperatureinfluss: Auf Grund des größeren Volumens sind differentielle Erwärmungen vo außen denkbar. Bei ruhender Luft ist nichts zu bemerken. Bei insgesamt nur 2 cm³ Volumen ist auch wenig differentielles anzunehmen. Ansonst gleiches Verhalten wie der originale S042P. Die Eigenerwärmung spielt keine Rolle, da die Leistungsaufnahme bei 12V und ca. 1 mA durch die GilbertCell liegt. Im Gegenteil der Biasstrom via den 8k Widerstand liegt beim Original im IC.
Nehmen wir doch eine unterschiedliche Temperatur für die unteren Transistoren an mit 10°C. So ändert sich der Vbe Bedarf um 10x 2,2 mV ~ 20 mV bei 700 mV an den 1k4 Widerständen. Es ergibt sich eine geringe Änderung des Modulationsgrades. Sonst nichts.
Bei den 4 oberen Transistoren gilt analoges, in dem Sinn, dass diese Transistoren mit 100 mVpp angesteuert werden (60..70 mV ergeben eine Stromänderung von 1:10, der Vollständigkeit halber). Es könnte mehr sein, aber das ist nicht angebracht, da dann im Ausgang mehr Oberwellen entstehen würden. Die Auskopplung soll aber aperiodisch sein, sonst bliebe ja die Amplitude über den MW-Bereich nicht konstant. Bis 3 MHz geht es noch gut. Die Erfahrung mit Videorecordern ist nützlich, da, speziell im Farbkanal, viel hin und her gemischt wurde mit hohen Ansprüchen übrigens.
Speisespannungseinfluss: Die 4 Dioden stabilisieren die Arbeitspunkte. Bei 12 V fließt etwa 1,2 mA durch die Dioden, was etwa eine dynamischen Innenwiderstand von 20 Ohm je Diode ergibt. Das ist eine ganz brauchbare Stabilisierung.
Die Arbeitswiderstände liegen in den Kollektoren, sind also stromgesteuert, so hat die Speisespannung für die Ausgangsspannung sehr wenig Einfluss.
Was wohl zu bemerken ist, ist der nicht so scharfe Nulldurchgang bei der Ausgangsspannung. Es zeigt sich dort ein Restsignal mit 2. Harmonischer, was auf den doch nicht so gleichen Vbe-Bedarf wie bei den integrierten Transistoren des Originals zurückzuführen ist.
Hier kann ein differentieller Temperatureinfluss für die 2. Harmonische wirksam werden. Einen Spektrumanalyzer habe ich leider nicht zur Verfügung. Vielleicht findet sich eine Gruppe im RMorg so etwas zu bauen, z.B. 0 bis 60 MHz. Ist aber umfangreich!
Aussteuerungsgrenzen: Im Beitrag vom 12.Aug. sehen sie die Schaltung mit 220E zwischen den Emittern und je 2k2 im Kollektor. Der Strom durch die 1k4 Wid beträgt etwa 0,5 mA, die für Trägeramplitude = 0 links und rechts fließen. Durch die Modulation kann nun max. der Strom links 2x0,5 und rechts 0, bzw umgekehrt aufgeteilt werden. Das ergibt die max. Stromänderung im Kollektor, die durch die HF "umgeschaltet" werden kann zwischen Pin 2 und Pin 3. Bedingt durch die Steuerung mit nur 100 mVpp HF, wegen Oberwellenreduktion, ist diese Amplitude ca. 2 dB kleiner im Vergleich zur max. möglichen Amplitude von 4,4 Vpp. D.h. letzten Endes, dass man immer im linearen Teil der Kennlinien bleibt, wenn man die genannten Grenzen von 440 mVpp NF und 100 mVpp HF für m=100%, bei der gewählten Dimensionierung, respektiert.
Messungen:



Lineartät NF-HF m > 100% m~50% m=100%

Und ein Schmetterling = Doppelseitenbandsignal mit unterdrücktem Träger
Es ist eine geringe Linearitätsabweichung sichtbar, der Schnittpunkt ist nicht in der Mitte. Aber die rechte Amplitude ist auch etwas kleiner wie ich erst jetzt sehe.
Ergänzung: Die S042P Innenschaltung ist einige Beiträge vorher zu sehen.
Für diesen Post bedanken, weil hilfreich und/oder fachlich fundiert.
Schwierige Beschaffung
Bei Pollin gibt es einen PLL UHF-Modulator mit einem wunderbaren IC MC44353DW. Alle Daten im Internet zu finden. Im Datenblatt sind auch Layouts zu finden.
Dieser IC ist noch besser als der TCA240. Der Modulator ist Restware aus 1997 lt. Orignialschaltbild. Ich kann den Kauf um 0,5 Euro nur empfehlen.
Anlagen:- Alps Modulator (113 KB)
Für diesen Post bedanken, weil hilfreich und/oder fachlich fundiert.
Modulator mit TDA1072
Hallo,
gute Erfahrungen habe ich mit dem Empfänger-IC TDA1072, oder mit dem für diesen Zweck pinkompatiblen TDA1572, gemacht. Es gibt darin einen Peltz-Oszillator, sodaß man ohne Spulenanzapfung auskommt. Statt der HF wird die NF zugeführt. Am Mischerausgang erscheint die modulierte Schwingung. Das Modulationsdreieck schaut perfekt aus.
Es gibt aber erst einen Experimentieraufbau auf einem Nagelbrett. Daher noch keine Bilder.
Beste Grüße,
Wolfgang Siegmund
Für diesen Post bedanken, weil hilfreich und/oder fachlich fundiert.
TDA1072
S.g. Herr Siegmund
Leider habe ich nur das Blockschaltbild des Innenlebens des TDA1072.
Aber das sollte Resultate wie von ihnen gesehen, liefern. Man sollte direkt studieren, ob man den Rest des IC's auch noch zweckdienlich verwenden kann. Könnten sie ein Foro veröffentlichen?
LG R. Drabek
P.S: habe in Schrottradios je einen TDA1072 und SO TDA1572 gefunden. Wahrscheinlichst o.k.
Für diesen Post bedanken, weil hilfreich und/oder fachlich fundiert.
S042P diskret, weitere Hinweise
Wegen Abwesenheit leider erst jetzt möglich: Besten Dank an Herrn Drabek für die umfangreichen Messergebnisse zum diskreten Nachbau des SO42P und an die anderen Herren für die Hinweise zu weiteren Modulatorbausteinen.
Für diesen Post bedanken, weil hilfreich und/oder fachlich fundiert.
1/2 S042P diskret
Abschließend ein 2-Quadrant Multiplizierer als Modulator. Einige Rückmeldungen bezüglich des Nachbaues des diskreten S042P haben die vereinfachte Variante angeregt. Am Anfang des Threads stand die Variante des modulierten Oszillators, der bei mittleren Modulationsgraden ausreichend für Amateurzwecke wäre, aber bei Modulationsgraden gegen 100% versagt.
Deshalb diese Schaltung mit ext. Oszillator, die sich bis 100% modulieren lässt. Gezeigt ist auch die Gutmütigkeit bei Übersteuerung. Vergleichen sie bitte, wie der 4Q-Mod durch 100% hindurchmoduliert im Gegensatz zum 2Q-Mod, der natürlich bei m=100% begrenzt.
Die gewollt ähnliche Darstellung dreier Differenzverstärker im Schaltbild, soll die universelle Verwendbarkeit von Differenzverstärkern zeigen.
Anschließend der Probeaufbau und eine, Vorsicht: im Detail nicht definitive Gesamtschaltung, mit Oszillator, Modulator und NF-Oszillator. Einige Dimensionierungen sind noch nachzuholen. Die Oszillogramme zeigen den Output an beiden Kollektoren des Modulators. Am coll2 Bild ist ein Hochpass vorhanden, der die NF filtert. Sonst sind die Oszillogramme ident. Diese Schaltung ist in jedem Fall sehr nachbausicher, da Transistoren gleicher Type und Charge sicher funktionieren.



Die Linearität bis m=100% und gutmütige Übersteuerungseigenschaft ist auf die Stromsteuerung des Modulators zurückzuführen.. Die Emitterwiderstände DC und NF des Modulators sind ausreichend hoch gegen den Eingangswiderstand der Transistoren in Basisschaltung mit einigen 10 Ohm. Auch dynamisch fast über den gesamten Aussteuerungsbereich gesehen.
Noch zwei Bilder mit und ohne Hochpass im Kollektor. Es gibt noch eine Möglichkeit ohne Hochpass auszukommen, aber das muss noch dimensioniert werden. Ist aber nicht so wichtig.


Kollektor Q7 Kollektor Q6
Im Kollektor Q6 ist eine Ferritantenne möglich zur Auskopplung der modulierten HF. Praktisch jedenfalls.
Für Interessierte ein wenig zur Dimensionierung:
Die Basisspannung gegen Vcc ist stabilisiert mit 4,7V und vermeidet damit Speisespannungseinflüsse. An den Emittern von Q6...Q9 liegt damit 4V gegen Vcc = 8,8V.
Damit ergibt die Größe von R16 den Strom durch den Modulator und ergibt die max. mögliche unmodulierte Ausgangsspannung an R14 bzw. R15. An anderer Stelle im Thread ist vermerkt, dass die reale Ausgangsspannung etwa 2 dB geringer ist um den Oberwellengehalt zu reduzieren. Das wird erreicht durch nur 120 mVpp Oszillatorspannung an Basis Q6. Das gilt nicht für das Oszillogramm Kollektor Q6, das mit 200 mVpp Drive geschossen wurde. Sonst wäre die unterste Linie im Oszillogramm nicht "gerade".
Mit R16 = 6k8 ist der Strom 0,59 mA. Der Eingangswiderstand Emitter Q6 // Q7 ist damit 25,9/0,59 = 44 Ohm. Gegen R16 und die Summe von R27 + R23 ist dies vernachlässigbar klein und man kann damit von einem Stromsummierpunkt sprechen.
Diesem Strom von 0,59 mA kann nun ein Wechselstrom überlagert werden. Wählt man einen Strom von +- 0,59 mA so ist das die Einstellung für m=100%. Der Strom wird verdoppelt, bzw ergibt für die andere Halbwelle der NF Null. An diesem Punkt der Aussteuerung wird aber der dyn. Innenwiderstand nicht mehr 44 Ohm sein, sondern geht gegen Werte, wo man nicht mehr von einem Stromsummierpunkt sprechen kann. Mit der Folge von Modulationsverzerrungen. Wenn man das letzte Oszilligramm genau betrachtet sieht man, dass der Sinus unten etwas verrundet ist. Im Modulationsdreieck ist das nicht so gut zu sehen. Man wird es im übrigen auch nicht hören. Das "clippen" bei Übersteuerung wohl. Über weite Bereiche der Aussteuerung bleibt der Stromsummierpunkt aber "gut genug". Im Link ist die Summe der inneren Emitterwiderstände aufgetragen, was für die Oszillatorfunktion auch richtig ist. Im Fall des Modulators ist es aber die Parallelschaltung die, wie erklärt, von Bedeutung ist.
Mit diesen 0,59 mA ist auch unmittelbar der Strom des NF-Oszillators definiert. Er muss größer sein als dieser Wert und wird bestimmt durch R21. Mit R21 = 33k wird also nur ein kleiner Modulationsgrad erreicht. R27 wird dann praktischerweise auch auf Null gesetzt, der den Wechselstromanteil am Stromsummierpunkt erhöht. Dies soll ein, im Detail, kleiner Einblick in die praktische Dimensionierungsvorgangsweise gewesen sein.
Für diesen Post bedanken, weil hilfreich und/oder fachlich fundiert.