- Paese
- Germania
- Produttore / Marca
- AEG (Radios) Allg.Elektricitäts-Ges.
- Anno
- 1938/1939
- Categoria
- Radio (o sintonizzatore del dopoguerra WW2)
- Radiomuseum.org ID
- 182
Clicca sulla miniatura dello schema per richiederlo come documento gratuito.
- Numero di tubi
- 5
- Principio generale
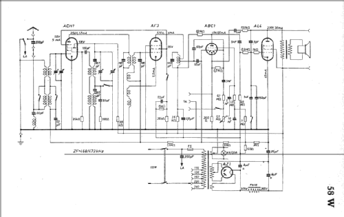
- Supereterodina (in generale); ZF/IF 468 kHz
- N. di circuiti accordati
- 5 Circuiti Mod. Amp. (AM)
- Gamme d'onda
- Onde medie (OM) e onde lunghe (OL).
- Tensioni di funzionamento
- Alimentazione a corrente alternata (CA) / 110-240 Volt
- Altoparlante
- AP elettrodinamico (bobina mobile e bobina di eccitazione/di campo)
- Materiali
- Mobile in legno
- Radiomuseum.org
- Modello: 58W - AEG Radios Allg.Elektricitäts-
- Forma
- Soprammobile basso, con andamento orizzontale (grosse dimensioni).
- Dimensioni (LxAxP)
- 625 x 325 x 290 mm / 24.6 x 12.8 x 11.4 inch
- Annotazioni
- variable Bandbreite
- Peso netto
- 14 kg / 30 lb 13.4 oz (30.837 lb)
- Prezzo nel primo anno
- 219.00 RM
- Fonte dei dati
- Handbuch WDRG 1938 / Radiokatalog Band 1, Ernst Erb
- Riferimenti schemi
- Lange+Schenk+FS-Röhrenbestückung
- Bibliografia immagini
- Das Modell ist im «Radiokatalog» (Erb) abgebildet.
- Altri modelli
-
In questo link sono elencati 847 modelli, di cui 737 con immagini e 421 con schemi.
Elenco delle radio e altri apparecchi della AEG (Radios) Allg.Elektricitäts-Ges.
Collezioni
Il modello fa parte delle collezioni dei seguenti membri.
Discussioni nel forum su questo modello: AEG Radios Allg.: 58W
Argomenti: 1 | Articoli: 3
Hallo,
gestern bekam ich das AEG 58W, und das Innenleben kam mir sofort vertraut vor. Nach einem Vergleich war klar, dass es die selbe Bauart wie in der Siemens Schatulle 64W ist. Die Montagelöcher des Chassis stimmen bis auf minimale Unterschiede überein. Das Bild für die Röhrenbestückung stimmt auf der Rückwand des AEG maßstäblich nicht mit dem Innenleben überein, aber die Aufteilung passt, so dass an der Originalität des Aufbaus keine Zweifel bestehen. Die Bestückung des AEG ist einfacher, so dass einige Löcher mehr im Chassis frei bleiben.
Zur Schatulle sei angemerkt, dass der Netztrafo nachträglich ausgetauscht wurde.
Grüße, Harald Pohlmann
Harald Pohlmann, 18.Mar.04