6GW69P Bakelitgehäuse
Blaupunkt (Ideal), Berlin, später Hildesheim
- Country
- Germany
- Manufacturer / Brand
- Blaupunkt (Ideal), Berlin, später Hildesheim
- Year
- 1939/1940
- Category
- Broadcast Receiver - or past WW2 Tuner
- Radiomuseum.org ID
- 613
-
- alternative name: Ideal-Radiotelephon- und App-fabr. || Ideal-Werke AG; Berlin (ab 1934)
- Brand: Rotstern
Click on the schematic thumbnail to request the schematic as a free document.
- Number of Tubes
- 5
- Main principle
- Superheterodyne (common); ZF/IF 468 kHz
- Tuned circuits
- 6 AM circuit(s)
- Wave bands
- Broadcast, Long Wave and Short Wave.
- Power type and voltage
- AC/DC-set / 110; 125; 220; 240 Volt
- Loudspeaker
- Permanent Magnet Dynamic (PDyn) Loudspeaker (moving coil)
- Material
- Bakelite case
- from Radiomuseum.org
- Model: 6GW69P [Bakelitgehäuse] - Blaupunkt Ideal, Berlin,
- Shape
- Tablemodel, low profile (big size).
- Dimensions (WHD)
- 557 x 371 x 262 mm / 21.9 x 14.6 x 10.3 inch
- Notes
-
variable Bandbreite . Auch geliefert mit ZF 473 kHz (laut dementsprechende Aufdruck am Chassis). 135, 150 und 160 Volt Netzspannung möglich mittels ändern bestimmte Widerstande / Netzteil.
Die Kataloge zeigen als Gleichrichter AZ 11, wie auch in den bekannten Geräten verwendet.
Blaupunkt-Schaltbilder (Schenk-Regelien, Lange-Nowisch, 3 Sparren) zeigen jedoch eine AZ1. Abschreibfehler?
- Net weight (2.2 lb = 1 kg)
- 13.5 kg / 29 lb 11.8 oz (29.736 lb)
- Price in first year of sale
- 230.00 RM
- Source of data
- Handbuch WDRG 1939 / Radiokatalog Band 1, Ernst Erb
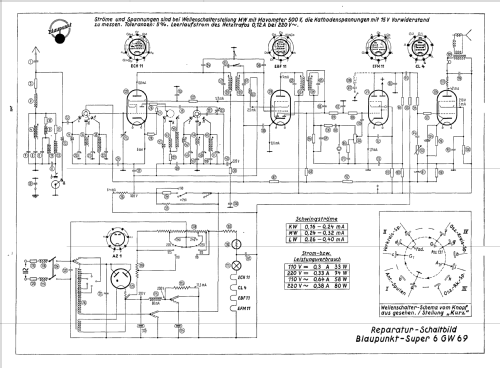
- Circuit diagram reference
- Lange+Schenk+FS-Röhrenbestückung
- Literature/Schematics (1)
- -- Original-techn. papers.
- Picture reference
- Das Modell ist im «Radiokatalog» (Erb) abgebildet.
- Other Models
-
Here you find 3616 models, 3308 with images and 2357 with schematics for wireless sets etc. In French: TSF for Télégraphie sans fil.
All listed radios etc. from Blaupunkt (Ideal), Berlin, später Hildesheim
Collections
The model is part of the collections of the following members.
Forum contributions about this model: Blaupunkt Ideal,: 6GW69P
Threads: 1 | Posts: 2
Ich kenne ein solches Gerät ( Typ GW69P )mit ähnlichem Gehäuse, mehr abgerundet - auch aus Bakelit. Bei dem von mit zitierten ist oben links in der Skala das magische Auge positioniert. Hier dagegen ist dort das Blaupunkt - Logo. Ein mag. Auge kann ich hier gar nicht sehen. Weiß da jemand mehr darüber ?
Es grüßt Rainer Sluga
Rainer Sluga, 06.Dec.10