Madrid De Luxe 20810
Blaupunkt (Ideal), Berlin, später Hildesheim
- Paese
- Germania
- Produttore / Marca
- Blaupunkt (Ideal), Berlin, später Hildesheim
- Anno
- 1961
- Categoria
- Radio (o sintonizzatore del dopoguerra WW2)
- Radiomuseum.org ID
- 142071
-
- alternative name: Ideal-Radiotelephon- und App-fabr. || Ideal-Werke AG; Berlin (ab 1934)
- Brand: Rotstern
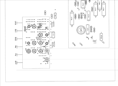
Clicca sulla miniatura dello schema per richiederlo come documento gratuito.
- Numero di tubi
- 6
- Principio generale
- Supereterodina (in generale); Modello per l'esportazione
- Gamme d'onda
- Onde medie (OM), 2 gamme di onde corte (2 x OC) e MF (FM).
- Tensioni di funzionamento
- Alimentazione a corrente alternata (CA) / 117; 125; 155;, 220; 240 Volt
- Altoparlante
- 3 altoparlanti
- Materiali
- Mobile in legno
- Radiomuseum.org
- Modello: Madrid De Luxe 20810 - Blaupunkt Ideal, Berlin,
- Forma
- Soprammobile con pulsantiera/tastiera.
- Dimensioni (LxAxP)
- 540 x 355 x 243 mm / 21.3 x 14 x 9.6 inch
- Annotazioni
- Blaupunkt 20810 Madrid De Luxe;
Probably for US export, FM up to 108 MHz, DIN terminals for phono & aux, tuning indicator tube, bass & treble control, sound equalizer buttons, thermoplastic front.
- Peso netto
- 9.6 kg / 21 lb 2.3 oz (21.145 lb)
- Autore
- Modello inviato da un iscritto da A. Utilizzare "Proponi modifica" per inviare ulteriori dati.
- Altri modelli
-
In questo link sono elencati 3610 modelli, di cui 3303 con immagini e 2355 con schemi.
Elenco delle radio e altri apparecchi della Blaupunkt (Ideal), Berlin, später Hildesheim
Collezioni
Il modello Madrid De Luxe fa parte delle collezioni dei seguenti membri.
Discussioni nel forum su questo modello: Blaupunkt Ideal,: Madrid De Luxe 20810
Argomenti: 1 | Articoli: 1
Bei den Fotos ist ein falsches Bild drin. Das große Bild links zeigt ein anderes Radio als das kleine rechts. Wenn man auf das große Bild klickt, erscheint das kleine Bild in groß. Dies ist das richtige.
Walter Groer, 20.Jan.11