Manila F4054
Blaupunkt (Ideal), Berlin, später Hildesheim
- País
- Alemania
- Fabricante / Marca
- Blaupunkt (Ideal), Berlin, später Hildesheim
- Año
- 1954/1955
- Categoría
- Televisión (TV) o monitor
- Radiomuseum.org ID
- 19890
-
- alternative name: Ideal-Radiotelephon- und App-fabr. || Ideal-Werke AG; Berlin (ab 1934)
- Brand: Rotstern
Haga clic en la miniatura esquemática para solicitarlo como documento gratuito.
- Numero de valvulas
- 18
- Válvulas
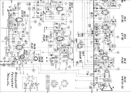
- PCC84 ECC81 EF80 EF80 EF80 EF80 PL83 EAA91 EF80 PABC80 EL84 ECL80 PCL81 ECC81 PL81 PY83 DY80 MW53-20 or 21ZP4A
- Numero de transistores
- Principio principal
- Superheterodino en general; ZF/IF 25500 kHz
- Gama de ondas
- Bandas de recepción puestas en notas.
- Especialidades
- Remote Control (with wire or wireless)
- Tensión de funcionamiento
- Red: Corriente alterna (CA, Inglés = AC) / 220 Volt
- Altavoz
- 2 Altavoces
- Potencia de salida
- 6 W (unknown quality)
- Material
- Madera
- de Radiomuseum.org
- Modelo: Manila F4054 - Blaupunkt Ideal, Berlin,
- Forma
- Consola en general
- Ancho, altura, profundidad
- 878 x 1060 x 616 mm / 34.6 x 41.7 x 24.3 inch
- Anotaciones
-
10 VHF-Kanäle.
Anschluss für Fernbedienung FG11 (Regelung von Lautstärke, Helligkeit und Kontrast).
- Peso neto
- 72 kg / 158 lb 9.4 oz (158.59 lb)
- Precio durante el primer año
- 1,780.00 DM
- Ext. procedencia de los datos
- Erb
- Procedencia de los datos
- Rundfunk- und Fernseh-Katalog 1954/55
- Documentación / Esquemas (1)
- Lange, Schaltungen der Funkindustrie
- Documentación / Esquemas (2)
- -- Original-techn. papers. (mit Technischen Daten, Fernseher 1964/55)
- Otros modelos
-
Donde encontrará 3615 modelos, 3308 con imágenes y 2357 con esquemas.
Ir al listado general de Blaupunkt (Ideal), Berlin, später Hildesheim