- Pays
- Allemagne
- Fabricant / Marque
- EMW Elektro-Mechanische Werkstätten Antelmann KG; Cranzahl (Erzgeb.) später Antelmann GmbH
- Année
- 1954/1955
- Catégorie
- Radio - ou tuner d'après la guerre 1939-45
- Radiomuseum.org ID
- 14458
Cliquez sur la vignette du schéma pour le demander en tant que document gratuit.
- No. de tubes
- 7
- Principe général
- Super hétérodyne (en général); FI/IF 468/10700 kHz
- Circuits accordés
- 7 Circuits MA (AM) 9 Circuits MF (FM)
- Gammes d'ondes
- PO, GO, OC et FM
- Tension / type courant
- Alimentation Courant Alternatif (CA) / 110; 127;220 Volt
- Haut-parleur
- HP dynamique à électro-aimant (électrodynamique) / Ø 24.5 cm = 9.6 inch
- Puissance de sortie
- 6 W (qualité inconnue)
- Matière
- Boitier en bois
- De Radiomuseum.org
- Modèle: Montaphon 55 - EMW Elektro-Mechanische Werkst
- Forme
- Modèle de table avec boutons poussoirs.
- Dimensions (LHP)
- 640 x 430 x 285 mm / 25.2 x 16.9 x 11.2 inch
- Remarques
-
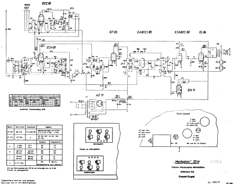
[9-163B; 596-29B] Klangfarben stetig regelbar; bei AM regelbares dreikreisiges Bandfilter (ges. 7 Kreise), ab 1955 4-Kreis-Differentialbandfilter stetig regelbar; 2 Antenneneingänge. Zwei-Membranen-Breitbandlautsprecher (Eigenproduktion).
- Poids net
- 13.8 kg / 30 lb 6.3 oz (30.396 lb)
- Prix de mise sur le marché
- 584.00 DM
- Source extérieure
- E. Erb 3-907007-36-0
- Source
- Radiokatalog Band 2, Ernst Erb
- Source du schéma
- Lange Schaltungen der Funkindustrie, Buch 3
- Littérature
- Funkgeschichte der GFGF (Radio und Fernsehen 6/1956)
- Schémathèque (1)
- Gebrauchswaren-Katalog 1954 (Gebrauchswarenkatalog Rundfunk u. Fernsehen Leipzig 1954)
- Index des illustrations
- Das Gerät ist im Doppelband "Historische Radios" von Günther Abele abgebildet.
- D'autres Modèles
-
Vous pourrez trouver sous ce lien 12 modèles d'appareils, 8 avec des images et 6 avec des schémas.
Tous les appareils de EMW Elektro-Mechanische Werkstätten Antelmann KG; Cranzahl (Erzgeb.) später Antelmann GmbH
Collections
Le modèle Montaphon fait partie des collections des membres suivants.