AM/FM Super Dominante Edelklang mit Ferrit Typ 1132.13
Funkwerk Dresden, VEB, RFT (Ostd. vorm. H. Mende & Co.)
- Country
- Germany
- Manufacturer / Brand
- Funkwerk Dresden, VEB, RFT (Ostd. vorm. H. Mende & Co.)
- Year
- 1956–1958
- Category
- Broadcast Receiver - or past WW2 Tuner
- Radiomuseum.org ID
- 172911
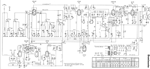
Click on the schematic thumbnail to request the schematic as a free document.
- Number of Tubes
- 8
- Main principle
- Superheterodyne (common); ZF/IF 453/10700 kHz
- Tuned circuits
- 7 AM circuit(s) 11 FM circuit(s)
- Wave bands
- Broadcast, Long Wave, Short Wave plus FM or UHF.
- Power type and voltage
- Alternating Current supply (AC) / 110; 127; 220; 240 Volt
- Loudspeaker
- - This model requires external speaker(s).
- Power out
- 4 W (unknown quality)
- Material
- Wooden case
- from Radiomuseum.org
- Model: AM/FM Super Dominante Edelklang mit Ferrit Typ 1132.13 - Funkwerk Dresden, VEB, RFT
- Shape
- Tablemodel, low profile (big size).
- Dimensions (WHD)
- 610 x 320 x 315 mm / 24 x 12.6 x 12.4 inch
- Notes
-
Wechselstromausführung des gleichnamigen Modells, Lautsprecher getrennt. Dazugeliefert wurde der Ecklautsprecher Typ: 8261.7.
- Net weight (2.2 lb = 1 kg)
- 12.8 kg / 28 lb 3.1 oz (28.194 lb)
- Price in first year of sale
- 796.00 Mark
- Author
- Model page created by Wolfgang Lill. See "Data change" for further contributors.
- Other Models
-
Here you find 106 models, 95 with images and 70 with schematics for wireless sets etc. In French: TSF for Télégraphie sans fil.
All listed radios etc. from Funkwerk Dresden, VEB, RFT (Ostd. vorm. H. Mende & Co.)
Collections
The model AM/FM Super Dominante Edelklang mit Ferrit is part of the collections of the following members.