Heim-Boy 1 normal
Grundig (Radio-Vertrieb, RVF, Radiowerke); Fürth/Bayern
- Country
- Germany
- Manufacturer / Brand
- Grundig (Radio-Vertrieb, RVF, Radiowerke); Fürth/Bayern
- Year
- 1953–1955
- Category
- Broadcast Receiver - or past WW2 Tuner
- Radiomuseum.org ID
- 2025
-
- alternative name: Grundig Portugal || Grundig USA / Lextronix
Click on the schematic thumbnail to request the schematic as a free document.
- Number of Tubes
- 5
- Number of Transistors
- Semiconductors
- B250C75
- Main principle
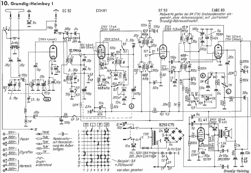
- Superheterodyne (common); ZF/IF 468/10700 kHz
- Tuned circuits
- 6 AM circuit(s) 8 FM circuit(s)
- Wave bands
- Broadcast, Long Wave and FM or UHF.
- Power type and voltage
- Alternating Current supply (AC) / 110/220 Volt
- Loudspeaker
- Permanent Magnet Dynamic (PDyn) Loudspeaker (moving coil) / Ø 12 inch = 30.5 cm
- Power out
- 4 W (unknown quality)
- Material
- Plastics (no bakelite or catalin)
- from Radiomuseum.org
- Model: Heim-Boy 1 [normal] - Grundig Radio-Vertrieb, RVF,
- Shape
- Tablemodel with Push Buttons.
- Dimensions (WHD)
- 318 x 184 x 163 mm / 12.5 x 7.2 x 6.4 inch
- Notes
-
Getrennte Skalen für AM und FM mit Beleuchtungsumschaltung. Bei der Stellung "TA" werden die beiden Birnchen hintereinander geschaltet.
Achtung ! Wegen des Spartransformators kann das Chassis eventuell unter Spannung stehen.
- Price in first year of sale
- 189.00 DM
- Source of data
- Rundfunk- und Fernseh-Katalog 1954/55 / Radiokatalog Band 1, Ernst Erb
- Circuit diagram reference
- Lange Schaltungen der Funkindustrie, Buch 4
- Mentioned in
- - - Manufacturers Literature (Katalog RF/FS-Großhandel 1954/55)
- Literature/Schematics (1)
- -- Original-techn. papers.
- Picture reference
- Das Modell ist im «Radiokatalog» (Erb) abgebildet.
- Other Models
-
Here you find 6251 models, 5496 with images and 4255 with schematics for wireless sets etc. In French: TSF for Télégraphie sans fil.
All listed radios etc. from Grundig (Radio-Vertrieb, RVF, Radiowerke); Fürth/Bayern
Collections
The model Heim-Boy is part of the collections of the following members.
Forum contributions about this model: Grundig Radio-: Heim-Boy 1
Threads: 2 | Posts: 2
Die altbekannten und ein neuer GRUNDIG Boy
New Line by GRUNDIG 1954
Hans M. Knoll
Im Jahre 1949 startete die Firma GRUNDIG mit einer für sie neue Produktreihe, mit einem Reiseempfänger. Die Superhets für das Heim, nannten sich schon „Weltklang“ so war es konsequent, den Reisesuper ebenfalls „Weltklang“ zu nennen.

Boy 216 B
Um das Geschäft anzukurbeln, machte GRUNDIG ein öffentliches Preisausschreiben, mit dem Leser einen Namen vorschlagen sollten.
TEXT:
“ unser 5 -Röhren -Fünfkreissuper, der soeben als leichtester deutscher Batterie -Reiseempfänger auf den Markt kommt? Nun gilt es, einen Namen für Ihn zu finden, und hierzu erbitten wir Ihre Vorschläge. Nicht alltäglich soll er sein, - deshalb hat er Anspruch auf einen Namen, der sich leicht einprägt und seinen guten Eigenschaften gerecht wird."
Mit diesem Trick, machte sich nicht nur das Radio einem Namen, auch das junge Unternehmen war damit in aller Munde. Als Sieger ging der Name „BOY“ aus dem Preisausschreiben hervor.
Am 7. März 1950 fand dann im Sitzungssaal des Verwaltungsgebäudes der Grundig GmbH die Bekanntgabe des Namens statt. Unter den 167000 Namensgebungen wurde 328 mal der Name "BOY" vorgeschlagen - deshalb wurden unter den Einsendern die Gewinne im Anschluß ausgelost.
Dies war dann in Heft Nr. 7 (1.April-Heft 1950) abgedruckt.

Ab diesem Zeitpunkt heißt der "Weltklang-Reisesuper 216B" schlicht und einfach nur "BOY".
Dieser Name wurde bis zur Auflösung der Firma GRUNDIG benutzt.
Kleiner Boy, Großer Boy, PRIMA-BOY, MUSIK-BOY und OCEAN -BOY usw.
waren für fast alle Modelle im Gebrauch. Lediglich mit dem Einzug der Transistoren, brauchte man dafür einen griffigen zukunfts orientierten Namen wie: TRANSISTOR -BOX, TRANSIST, usw. kam aber schnell wieder zum Transistor -BOY, Musik-Transistor -BOY, usw. zurück. Alle Modelle mit der Bezeichnung „BOY“ im Namen, waren tragbare oder Reiseempfänger. volkstümlich: aber als KOFFER -RADIO bekannt.
Was ist nun der Sinn dieser Einleitung?
Es gab bei Grundig im Jahr 1954 ein neues Radio mit dem Beinamen „BOY“ was weder ein mobiles noch ein tragbares Radio war. Den GRUNDIG „HEIM-BOY“ der soll hier vorgestellt werden.

Bis zum Jahr 1953 hatten fast alle deutschen Firmen kleine Radios. Das waren jedoch im Falle Grundig, nur masstäblich verkleinerte Tischmodelle, bei den Philettas der Serie 54 kann man sich darüber streiten wo die einzuordnen sind.
Es sind „Zweit-Radios“ um die es gleich hier geht. Diese Art von Radios waren z.B. in den USA seit Jahrzehnten „das Radio“ schlechthin. Der Grund dazu war wohl der, dass in den USA das Fernsehgerät viel mehr und früher die Informationsquelle Nr.1 und Mittelpunkt der Familie war.
„Das RADIO“ war daher 1953 in den USA, mehr ein Küchen- und Uhrenradio. Dazu waren diese Kleinradios technisch ausreichend ausgestattet. Im Nachkriegsdeutschland, war bis zur Verbreitung des Fernsehens das grosse Heimradio, das Unterhaltungsmedium und die Informationsquelle Nr.1 und nicht zuletzt ein Statussymbol, was sich oft in der Grösse des Radios zur Schau stellte.
Die Firma Lorenz, jetzt amerikanisch geführt, kam als erstes mit den Typen C1 und C2, mit amerikanischen Aussehen auf den deutschen Markt.
Die Kleinradios der bekannten Marken und Typen unter 200.-DM deutscher Hersteller, waren eher dem geringen Einkommen und Raumverhältnissen zuzuschreiben, als dem Typus „Zweitradio“. Ausnahmen bestätigen auch hier die Regel. Ich will und kann das nicht normieren. Ich kenne aber aus eigener Anschauung genau die Verhältnisse der Nachkriegszeit. Nachdem das Fernsehen ab 1953 auch bei uns eine grössere Rolle einnahm, wurde der Fernseher das Statussymbol. Das Radio durfte nun auch klein und stilistisch vom bisherigen, Muster oder Aussehen, abweichen.
Als markante Beispiele nenne ich im Jahr 1953: LORENZ C1 und C2, bedingt noch den SIEMENS SH722GW. 1954: den SCHAUB PIROL 56GWU, zwei Modelle von GRUNDIG, um die sich der Text hier dreht, und 1955: den Braun SK1, sowie den AWB -Kleinsuper mit Uhr und den Grundig 80U.
Teil 2
Im Jahre 1954 besann sich GRUNDIG darauf, dass der BOY 216B und seine
zahlreichen Nachfolger. ein gutes Geschäftsfeld eröffnet hatten. Warum nicht auch Kleinradios mit eingeführtem Namen und abweichendem Design einführen? Man schaute sich in den USA um und brachte ein Uhrenradio auf den Markt, mit dem traditionellen Namen „Heinzelmann“ Es waren zwei Versionen geplant wobei nur eine in Serie ging. Etwas irreführend daher oft als Heinzelmann1 bezeichnet. Gleichzeitig kam der Name „BOY“ ins Spiel und es entstand ein Zweitradio mit dem Namen „Heimboy“ Um dieses Modell geht es hier im Artikel.

Für GRUNDIG galt bei Spöttern bis dahin, als Design-Name: „Gelsenkirchener Barock“ In den ersten Jahren lagen die Haupt-Absatz -Gebiete ganz gewiss, im Ruhrgebiet, wo zeitnah der Wohnstil, wie auch im sonstigen Westdeutschland eben so war, dass sich z. Beispiel ein 3045W oder 4040W dort harmonisch einfügte.
Die beiden Modelle, Heinzelmann1 mit Uhr und Heimboy, waren die ersten Gehversuche „amerikanisch“ zu erscheinen. Die Autoindustrie machte das zögerlich auch schon vor. In Jahr 1954 lag dieses Design, durchaus im Trend, denn amerikanisch war damals gleichbedeutend mit dem Fortschritt zu sehen, ich mache da bei mir persönlich keine Ausnahme.
Nun zum eigentlichen Gerät.
Schaltungstechnisch betrachtet, waren Heinzelmannn und Heimboy zwei fast indentische Geräte, sieht man von der Uhr und deren Sonderfunktionen ab.
Nachdem nur der Heimboy vorgestellt werden soll, muss der Heinzelmann zurückstehen.
Trotz seiner für ein röhrenbestücktes Radio geringen Abmessungen, ist der HEIMBOY ein Gerät was technisch auf der Höhe der Zeit war.
8 UKW und 6 AM-Kreise. Störstrahlungsarmes UKW- Teil mit additiver Mischung durch eine EC92. (Link als PDF Datei, zur UKW Technik von 1953 : zu UKW knoll) Ein Ratio -Detektor mit EABC80, mittelsteile ZF-Pentode EF93. Bemerkenswert ist auch, dass hier, wie schon beim 4035 W und 4040W in zweifacher Form je Gerät ausgeführt, das FM -ZF -Filter2 im Tastensatz ohne Becher untergebracht ist. Waren doch die gleichen Entwickler am Werk.
Ferritantenne für MW/LW, ZF-Sperre in der Katode der ECH81, wirkt auch bei Ferrit-Antenne. Ein L/C -Tiefpass, gegen KW -Einkopplungen von Störungen um 10,7Mhz herum ins G1 der ECH81, in der Zuleitung der AM -Aussenantenne. UKW- (Wurf) Antenne unter Mitbenutzung der Netzuleitung. Keine Netztrennung wegen Spartrafo. Als Besonderheit, eine Graetzbrücke als 100Hz Gleichrichter. Das Chassis wird daher niemals erdfrei bei jeder Steckerpolung. Tonabnehmer nach den damals geltenden VDE-Vorschriften, was heutzutage Lebensgefährlich ist.
Getrennte Skalen und Antriebe für AM und FM, wobei mit dem Bereichen deren Beleuchtung umgeschaltet wird. Einfache regelbare Tonblende und keinen gehörrichtigen Lautstärkesteller, Endstufe mit EL41 in 7,5 Watt Einstellung bei UKW.
Hans M. Knoll 2015
Hans M. Knoll, 11.Jan.15
Beim Einbau des Chassis ist folgendes zu beachten :
Die Tasten müssen vorher so arretiert werden, dass sie alle nach oben stehen. Dazu reicht es, wenn man sie mit kleinen Papier - oder Kartonstreifen am Gehäuse festklemmt.
Entsprechend müssen alle 4 metallenen Tastenhebel ausgerastet sein, d.h. nach oben stehen, bevor man das Chassis in das Gehäuse schiebt.
Attachments
- D_ Grundig_Heimboy-Tasten (48 KB)
- D_ Grundig_Heimboy_ Hebel (65 KB)
Ottmar Lauth, 24.Feb.13