Musikschrank 8040W Plattenwechsler
Grundig (Radio-Vertrieb, RVF, Radiowerke); Fürth/Bayern
- Pays
- Allemagne
- Fabricant / Marque
- Grundig (Radio-Vertrieb, RVF, Radiowerke); Fürth/Bayern
- Année
- 1953/1954
- Catégorie
- Radio - ou tuner d'après la guerre 1939-45
- Radiomuseum.org ID
- 2004
-
- alternative name: Grundig Portugal || Grundig USA / Lextronix
Cliquez sur la vignette du schéma pour le demander en tant que document gratuit.
- No. de tubes
- 10
- Principe général
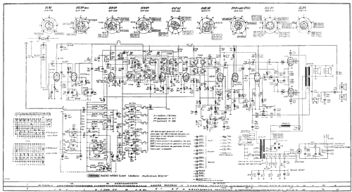
- Super hétérodyne avec étage HF; FI/IF 468 kHz
- Circuits accordés
- 11 Circuits MA (AM) 11 Circuits MF (FM)
- Gammes d'ondes
- PO, GO, plus que 2 x OC et FM
- Particularités
- Tourne disque avec changeur
- Tension / type courant
- Alimentation Courant Alternatif (CA) / 110; 125; 220; 240 Volt
- Haut-parleur
- 4 HP
- Matière
- Boitier en bois
- De Radiomuseum.org
- Modèle: Musikschrank 8040W [Plattenwechsler] - Grundig Radio-Vertrieb, RVF,
- Forme
- Console de forme générique
- Dimensions (LHP)
- 1460 x 865 x 475 mm / 57.5 x 34.1 x 18.7 inch
- Remarques
- Chassis 5050W, auch mit Fernsehtonteil für VHF-Empfang (EF80, EC92), Plattenwechsler PE Rex A
- Prix de mise sur le marché
- 1,760.00 DM
- Source
- Kat.d.Rundf.GrossH.1953/54 / Radiokatalog Band 1, Ernst Erb
- D'autres Modèles
-
Vous pourrez trouver sous ce lien 6250 modèles d'appareils, 5496 avec des images et 4249 avec des schémas.
Tous les appareils de Grundig (Radio-Vertrieb, RVF, Radiowerke); Fürth/Bayern