Carmen 56 W465A Truhe
Horny (Hornyphon); Wien
- Country
- Austria
- Manufacturer / Brand
- Horny (Hornyphon); Wien
- Year
- 1955/1956
- Category
- Broadcast Receiver - or past WW2 Tuner
- Radiomuseum.org ID
- 155422
-
- Brand: Hornyphon
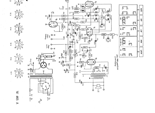
Click on the schematic thumbnail to request the schematic as a free document.
- Number of Tubes
- 7
- Main principle
- Superheterodyne (common); ZF/IF 460/10700 kHz
- Tuned circuits
- 6 AM circuit(s) 9 FM circuit(s)
- Wave bands
- Broadcast, Long Wave, Short Wave plus FM or UHF.
- Details
- Record Player (not changer)
- Power type and voltage
- Alternating Current supply (AC) / 110; 130; 150; 240 Volt
- Loudspeaker
- 3 Loudspeakers
- Material
- Wooden case
- from Radiomuseum.org
- Model: Carmen 56 W465A [Truhe] - Horny Hornyphon; Wien
- Shape
- Console with Push Buttons.
- Dimensions (WHD)
- 580 x 800 x 450 mm / 22.8 x 31.5 x 17.7 inch
- Notes
-
Plattenspieler Philips AG2001
- Literature/Schematics (1)
- -- Original-techn. papers.
- Author
- Model page created by Arpad Roth † 27.3.17. See "Data change" for further contributors.
- Other Models
-
Here you find 879 models, 788 with images and 586 with schematics for wireless sets etc. In French: TSF for Télégraphie sans fil.
All listed radios etc. from Horny (Hornyphon); Wien
Collections
The model Carmen 56 is part of the collections of the following members.