- Paese
- Spagna
- Produttore / Marca
- Inter Electrónica, S.A., Inter-Grundig, S.A.; Barcelona
- Anno
- 1966 ?
- Categoria
- Televisore (TV) / Monitor
- Radiomuseum.org ID
- 324181
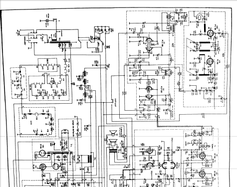
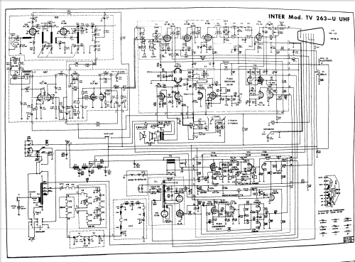
Clicca sulla miniatura dello schema per richiederlo come documento gratuito.
- Numero di tubi
- 19
- Valvole
- PC88 PC86 PCC189 PCF801 EF183 EF183 EF80 PCL84 12ET1 PCL82 PABC80 EF80 PABC80 PCF80 PCL85 PL36 PY81 DY86 AW59-91
- Numero di transistor
- Principio generale
- Supereterodina con stadio RF; ZF/IF 38900 kHz; 2 Stadi BF
- Gamme d'onda
- VHF/UHF (ved. i dettagli nelle note)
- Tensioni di funzionamento
- Alimentazione a corrente alternata (CA) / 125; 220 Volt
- Altoparlante
- 2 altoparlanti
- Potenza d'uscita
- 1.5 W (qualità ignota)
- Materiali
- Mobile in legno
- Radiomuseum.org
- Modello: TV-263-U UHF - Inter Electrónica, S.A., Inter
- Forma
- Soprammobile basso, con andamento orizzontale (grosse dimensioni).
- Annotazioni
-
TV B/N 23" sintonizador UHF a Válvulas.
- Bibliografia
- -- Schematic (Esquemario de TV REDE TOMO V 1969)
- Autore
- Modello inviato da Toni Gutiérrez García. Utilizzare "Proponi modifica" per inviare ulteriori dati.
- Altri modelli
-
In questo link sono elencati 366 modelli, di cui 229 con immagini e 193 con schemi.
Elenco delle radio e altri apparecchi della Inter Electrónica, S.A., Inter-Grundig, S.A.; Barcelona