Capri 56 Ch= Concertino 6
Kuba (Kuba-Imperial), G. Kubetschek; Wolfenbüttel
- Hersteller / Marke
- Kuba (Kuba-Imperial), G. Kubetschek; Wolfenbüttel
- Jahr
- 1955/1956
- Kategorie
- Rundfunkempfänger (Radio - oder Tuner nach WW2)
- Radiomuseum.org ID
- 20196
-
- anderer Name: Imperial Kuba
Klicken Sie auf den Schaltplanausschnitt, um diesen kostenlos als Dokument anzufordern.
- Anzahl Röhren
- 7
- Hauptprinzip
- Superhet allgemein; ZF/IF 460/10700 kHz
- Anzahl Kreise
- 8 Kreis(e) AM 11 Kreis(e) FM
- Wellenbereiche
- Langwelle, Mittelwelle, Kurzwelle und UKW.
- Spezialitäten
- Plattenwechsler
- Betriebsart / Volt
- Wechselstromspeisung / 110; 220 Volt
- Lautsprecher
- 4 Lautsprecher
- Belastbarkeit / Leistung
- 5 W (Qualität unbekannt)
- Material
- Gerät mit Holzgehäuse
Die GFGF Zeitschrift Funkgeschichte bringt interessante Artikel zu Radios, Funkwesen und Medien. Bei Radiomuseum.org finden Sie die vollständigen Hefte früherer Ausgaben als PDF zum Download.
- von Radiomuseum.org
- Modell: Capri 56 Ch= Concertino 6 - Kuba Kuba-Imperial, G.
- Form
- Standgerät mit Drucktasten.
- Abmessungen (BHT)
- 1010 x 800 x 440 mm / 39.8 x 31.5 x 17.3 inch
- Bemerkung
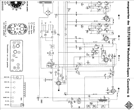
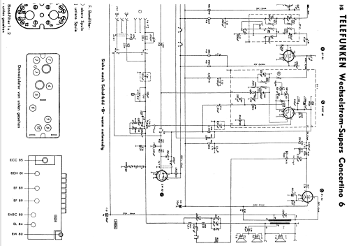
- Rundfunk-Chassis = Telefunken Concertino 6;
Phono-Chassis = Dual 1003.
Aufpreis für Bar 38,50 DM.
- Nettogewicht
- 42 kg / 92 lb 8.2 oz (92.511 lb)
- Originalpreis
- 995.00 DM
- Datenherkunft extern
- Erb
- Datenherkunft
- HdB d.Rdf-& Ferns-GrH 1955/56 / Radiokatalog Band 2, Ernst Erb
- Weitere Modelle
-
Hier finden Sie 741 Modelle, davon 687 mit Bildern und 262 mit Schaltbildern.
Alle gelisteten Radios usw. von Kuba (Kuba-Imperial), G. Kubetschek; Wolfenbüttel