Lido Ch= Concertino 6
Kuba (Kuba-Imperial), G. Kubetschek; Wolfenbüttel
- Country
- Germany
- Manufacturer / Brand
- Kuba (Kuba-Imperial), G. Kubetschek; Wolfenbüttel
- Year
- 1955/1956
- Category
- Broadcast Receiver - or past WW2 Tuner
- Radiomuseum.org ID
- 20194
-
- alternative name: Imperial Kuba
Click on the schematic thumbnail to request the schematic as a free document.
- Number of Tubes
- 7
- Main principle
- Superheterodyne (common); ZF/IF 460/10700 kHz
- Tuned circuits
- 8 AM circuit(s) 11 FM circuit(s)
- Wave bands
- Broadcast, Long Wave, Short Wave plus FM or UHF.
- Details
- Changer (Record changer)
- Power type and voltage
- Alternating Current supply (AC) / 110; 220 Volt
- Loudspeaker
- 4 Loudspeakers
- Power out
- 5 W (unknown quality)
- Material
- Wooden case
- from Radiomuseum.org
- Model: Lido Ch= Concertino 6 - Kuba Kuba-Imperial, G.
- Shape
- Console with Push Buttons.
- Dimensions (WHD)
- 1090 x 860 x 430 mm / 42.9 x 33.9 x 16.9 inch
- Notes
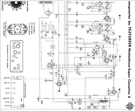
- Rundfunk-Chassis = Telefunken Concertino 6;
Phono-Chassis = Dual 1003.
- Net weight (2.2 lb = 1 kg)
- 47 kg / 103 lb 8.4 oz (103.524 lb)
- Price in first year of sale
- 985.00 DM
- External source of data
- Erb
- Source of data
- HdB d.Rdf-& Ferns-GrH 1955/56 / Radiokatalog Band 2, Ernst Erb
- Other Models
-
Here you find 741 models, 687 with images and 262 with schematics for wireless sets etc. In French: TSF for Télégraphie sans fil.
All listed radios etc. from Kuba (Kuba-Imperial), G. Kubetschek; Wolfenbüttel