Meteor 52 6652W
Loewe-(Opta); Deutschland
- Pays
- Allemagne
- Fabricant / Marque
- Loewe-(Opta); Deutschland
- Année
- 1951/1952
- Catégorie
- Radio - ou tuner d'après la guerre 1939-45
- Radiomuseum.org ID
- 25498
-
- alternative name: Löwe Radio
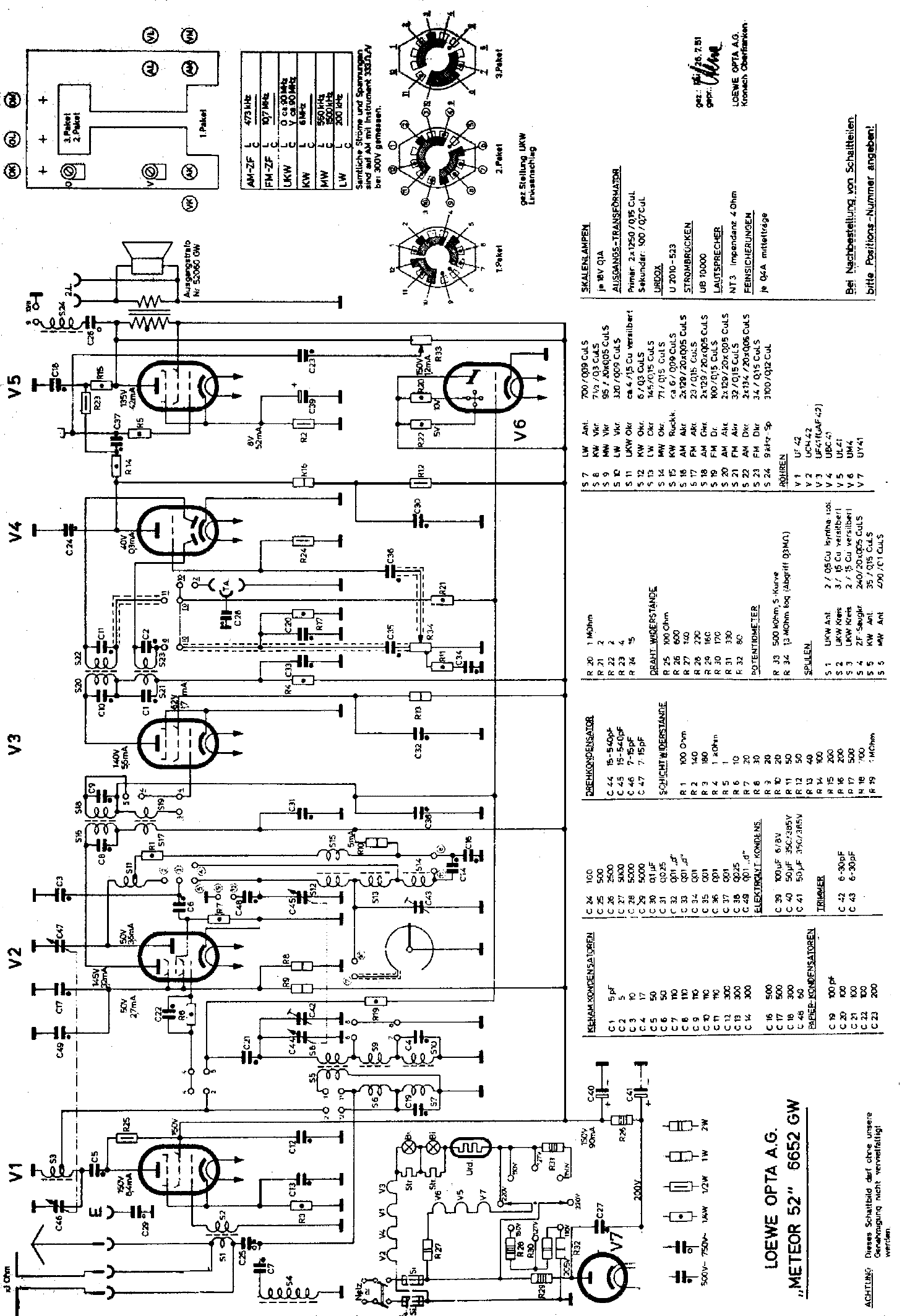
Cliquez sur la vignette du schéma pour le demander en tant que document gratuit.
- No. de tubes
- 7
- Principe général
- Super hétérodyne (en général); FI/IF 473/10700 kHz
- Circuits accordés
- 6 Circuits MA (AM) 6 Circuits MF (FM)
- Gammes d'ondes
- PO, GO, OC et FM
- Tension / type courant
- Alimentation Courant Alternatif (CA) / 110, 127, 150, 220 Volt
- Haut-parleur
- HP dynamique à aimant permanent + bobine mobile
- Matière
- Boitier en bois
- De Radiomuseum.org
- Modèle: Meteor 52 6652W - Loewe-Opta; Deutschland
- Forme
- Modèle de table profil bas (grand modèle).
- Dimensions (LHP)
- 520 x 350 x 250 mm / 20.5 x 13.8 x 9.8 inch
- Remarques
-
30-fache Bandspreizung durch Kurzwellenlupe.
- Schémathèque (1)
- -- Original-techn. papers.
- D'autres Modèles
-
Vous pourrez trouver sous ce lien 1645 modèles d'appareils, 1382 avec des images et 1188 avec des schémas.
Tous les appareils de Loewe-(Opta); Deutschland
Collections
Le modèle Meteor 52 fait partie des collections des membres suivants.
Contributions du forum pour ce modèle: Loewe-Opta;: Meteor 52 6652W
Discussions: 2 | Publications: 4
Liebe Sammlerfreunde!
Es scheint da mehrere Varianten zu geben; das von mir kürzlich erworbene Gerät ist mit EAF42 statt EF41 bestückt, auch im dem Modell beigefügten Foto ist diese Röhre zu sehen.
LG Dr. R. Bengesser
Rudolf Bengesser, 12.Aug.07
Handelt es sich bei dem Radio laut Schaltplan 6652GW um ein neues Modell ?
Jürgen Bauch
Jürgen Bauch
Pièces jointes
- Schaltplan 6652 GW (133 KB)
Jürgen Bauch, 14.Mar.07