21TX220A /63
Philips; Eindhoven (tubes international!); Miniwatt
- Country
- Netherlands
- Manufacturer / Brand
- Philips; Eindhoven (tubes international!); Miniwatt
- Year
- 1960 ??
- Category
- Television Receiver (TV) or Monitor
- Radiomuseum.org ID
- 204653
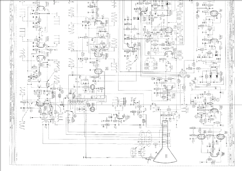
Click on the schematic thumbnail to request the schematic as a free document.
- Number of Tubes
- 25
- Valves / Tubes
- PCC88 PCF80 UF80 UF80 UF80 UF80 PCF80 PCF80 PL84 PL84 UF80 UF80 UF80 UF80 PL83 UCC85 PCF80 PCF80 UCC85 PCF80 PL36 PY81 DY87 PCL82 AW53-80
- Main principle
- Superheterodyne (common); 2 AF stage(s)
- Wave bands
- VHF incl. FM and/or UHF (see notes for details)
- Power type and voltage
- Alternating Current supply (AC) / 110; 127; 220 Volt
- Loudspeaker
- Permanent Magnet Dynamic (PDyn) Loudspeaker (moving coil) / Ø 8 inch = 20.3 cm
- Material
- Wooden case
- from Radiomuseum.org
- Model: 21TX220A /63 - Philips; Eindhoven tubes
- Shape
- Tablemodel, low profile (big size).
- Dimensions (WHD)
- 610 x 520 x 510 mm / 24 x 20.5 x 20.1 inch
- Notes
-
- Transformerless audio output stage.
- 4 standard receiver: (manual switching)
- European 625 lines; FM sound; negative video sync.
- Belgian 625 lines; AM sound; positive video sync.
- Belgian 819 lines; AM sound; positive video sync.
- French 819 lines; AM sound; positive video sync.
- Type of loudspeakers: 1 x AD3800AM.
- VHF channels: E2-E11; F6; F8a.
- No UHF.
- Source of data
- -- Original-techn. papers.
- Literature/Schematics (1)
- Service Manual
- Author
- Model page created by Dirk Taekels. See "Data change" for further contributors.
- Other Models
-
Here you find 5278 models, 4426 with images and 3461 with schematics for wireless sets etc. In French: TSF for Télégraphie sans fil.
All listed radios etc. from Philips; Eindhoven (tubes international!); Miniwatt