- País
- Argentina
- Fabricante / Marca
- Philips Argentina, FAPESA, Miniwatt tubes; Buenos Aires
- Año
- 1967 ?
- Categoría
- Televisión (TV) o monitor
- Radiomuseum.org ID
- 317735
Haga clic en la miniatura esquemática para solicitarlo como documento gratuito.
- Numero de valvulas
- 20
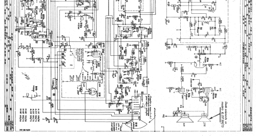
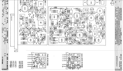
- Válvulas
- PCF80 PCF80 PCL82 PCL85 PC900 PCF801 EF183 EF184 EF184 PCL84 ECH84 ECH83 PCF80 PL36 PY88 DY802 PCF80 PF86 PCL85 A59-11W
- Principio principal
- Superheterodino en general; ZF/IF 45750 kHz; 2 Etapas de AF
- Gama de ondas
- VHF/UHF (see notes for details)
- Tensión de funcionamiento
- Red: Corriente alterna (CA, Inglés = AC) / 220 Volt
- Altavoz
- Altavoz dinámico (de imán permanente) / Ø 5 inch = 12.7 cm
- Potencia de salida
- 4 W (unknown quality)
- Material
- Madera
- de Radiomuseum.org
- Modelo: AL23T501 /73 - Philips Argentina, FAPESA,
- Forma
- Sobremesa apaisado (tamaño grande).
- Ancho, altura, profundidad
- 605 x 505 x 605 mm / 23.8 x 19.9 x 23.8 inch
- Anotaciones
-
Philips Argentina - FAPESA AL23T501 /73
TV B/N Canales VHF 2 a 13 - CRT 23" 110 grados
Similar a:
- Philips Argentina: AL19T508 /00; AL23T500 /73; AL23T503 /73
- Franklin (RA): FR48T705 /00; FR58T005 /73; FR58T605 /00
- Documentación / Esquemas (1)
- -- Original-techn. papers. (Manual de circuitos de Televisión-Philips Service Argentina)
- Autor
- Modelo creado por Rodolfo Gaston Wenceslao Nasasta. Ver en "Modificar Ficha" los participantes posteriores.
- Otros modelos
-
Donde encontrará 278 modelos, 173 con imágenes y 199 con esquemas.
Ir al listado general de Philips Argentina, FAPESA, Miniwatt tubes; Buenos Aires