BX534A /12 /14 /50
Philips; Eindhoven (tubes international!); Miniwatt
- Country
- Netherlands
- Manufacturer / Brand
- Philips; Eindhoven (tubes international!); Miniwatt
- Year
- 1953/1954
- Category
- Broadcast Receiver - or past WW2 Tuner
- Radiomuseum.org ID
- 29946
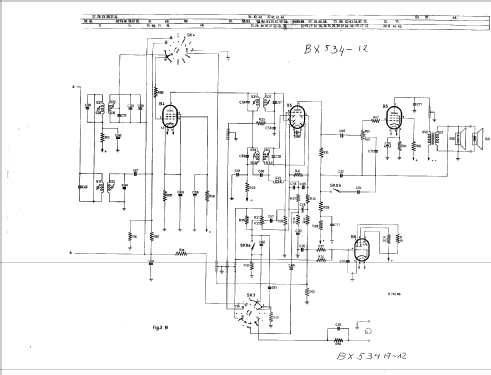
Click on the schematic thumbnail to request the schematic as a free document.
- Number of Tubes
- 8
- Main principle
- Superheterodyne (common); ZF/IF 452/10700 kHz; 2 AF stage(s)
- Tuned circuits
- 6 AM circuit(s) 9 FM circuit(s)
- Wave bands
- Broadcast, Long Wave, Short Wave plus FM or UHF.
- Power type and voltage
- Alternating Current supply (AC) / 110; 125; 145; 200; 220; 245 Volt
- Loudspeaker
- Permanent Magnet Dynamic (PDyn) Loudspeaker (moving coil) / Ø 19 cm = 7.5 inch
- Power out
- 6 W (unknown quality)
- Material
- Wooden case
- from Radiomuseum.org
- Model: BX534A /12 /14 /50 - Philips; Eindhoven tubes
- Shape
- Tablemodel, low profile (big size).
- Dimensions (WHD)
- 500 x 335 x 240 mm / 19.7 x 13.2 x 9.4 inch
- Notes
-
AM radio with built-in ferroceptor (for LW/BC only)
- LW: 150 - 345 kHz.
- BC: 517 - 1622 kHz.
- SW: 5.9 - 18.2 MHz.
FM radio with dipole antenna input: 87,5 - 100 MHz.Loudspeaker: 9770M (5Ω, co-axial).Dial lamps: 2x 8045D (E10, 6.3V/320mA).
- Net weight (2.2 lb = 1 kg)
- 7.5 kg / 16 lb 8.3 oz (16.52 lb)
- Price in first year of sale
- 339.00 Hfl
- Literature/Schematics (1)
- -- Original-techn. papers.
- Author
- Model page created by Iven Müller. See "Data change" for further contributors.
- Other Models
-
Here you find 5280 models, 4428 with images and 3461 with schematics for wireless sets etc. In French: TSF for Télégraphie sans fil.
All listed radios etc. from Philips; Eindhoven (tubes international!); Miniwatt
Collections
The model is part of the collections of the following members.
Forum contributions about this model: Philips; Eindhoven: BX534A /12 /14 /50
Threads: 1 | Posts: 3
Liebe Kollegen,
ich stecke fest beim Ausbau des Chassis - der Skalenzeiger hängt fest im schmalen Spalt zwischen Skalenglas und Schallwand. Diese scheint, außer den offensichtlichen Schrauben, auch solide verleimt zu sein.
Ich mag aber nicht glauben, dass das die Lösung sein könnte: was für ein Aufwand, um "lediglich" das Chassis heraus zu nehmen. Ich hoffe auf einen Tipp der mir hilft, das schöne Radio wieder zum spielen zu bringen.
Grüße dem bayrischen Spessart
Uli Storz
Uli Storz, 06.Nov.23