Firenze 21 TI 220U -00
Philips Italy; Milano (MI)
- Country
- Italy
- Manufacturer / Brand
- Philips Italy; Milano (MI)
- Year
- 1960 ??
- Category
- Television Receiver (TV) or Monitor
- Radiomuseum.org ID
- 352371
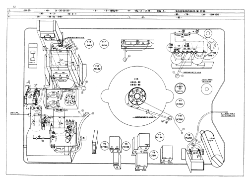
Click on the schematic thumbnail to request the schematic as a free document.
- Number of Tubes
- 18
- Valves / Tubes
- PCF80 PCC88 PC86 PC86 EF183 PCF80 PCL84 EF80 PCL82 PCF80 PCF80 PL36 PY81 DY87 PCL82 PY82 PY82 AW53-88
- Number of Transistors
- Main principle
- Superhet with RF-stage; ZF/IF 45900 kHz
- Wave bands
- VHF incl. FM and/or UHF (see notes for details)
- Power type and voltage
- Alternating Current supply (AC) / 110; 127; 145; 160; 220 Volt
- from Radiomuseum.org
- Model: Firenze 21 TI 220U -00 - Philips Italy; Milano MI
- Shape
- Tablemodel, low profile (big size).
- Notes
-
Televisore in bianco/nero con cinescopio alluminato da 21 pollici, deflessione 110°. VHF ed UHF, vendibile anche solo con VHF.
Normalmente funzionava a 220 V CA e CC, con l'inserimento di un autotrasformatore poteva funzionare a 110, 127, 145 e 160 V CA.
- Mentioned in
- -- Schematic (Schemario TV Philips Service, Edizioni CELI 1972.)
- Author
- Model page created by Pier Antonio Aluffi. See "Data change" for further contributors.
- Other Models
-
Here you find 464 models, 397 with images and 329 with schematics for wireless sets etc. In French: TSF for Télégraphie sans fil.
All listed radios etc. from Philips Italy; Milano (MI)