TV-1909ST
Phonola SA, FIMI; Saronno (VA)
- Paese
- Italy
- Produttore / Marca
- Phonola SA, FIMI; Saronno (VA)
- Anno
- 1962 ?
- Categoria
- Televisore (TV) / Monitor
- Radiomuseum.org ID
- 176259
Clicca sulla miniatura dello schema per richiederlo come documento gratuito.
- Numero di tubi
- 17
- Valvole
- PCC88 PCF80 PC86 PC86 EF80 EF80 EF80 PCL84 PCF80 PCL82 PCF80 PCL85 ECL80 PL36 PY81 DY87 AW47-91
- Principio generale
- Supereterodina (in generale)
- Gamme d'onda
- VHF/UHF (ved. i dettagli nelle note)
- Tensioni di funzionamento
- Alimentazione a corrente alternata (CA) / 100-270 Volt
- Altoparlante
- 2 altoparlanti
- Radiomuseum.org
- Modello: TV-1909ST - Phonola SA, FIMI; Saronno VA
- Forma
- Soprammobile con qualsiasi forma (non saputo).
- Annotazioni
- Cinescopio 19" 110° tipo sferico-elettrostatico.
VHF (S30) UHF (S31).
FI 3 stadi 40 MHz sistema intercarrier.
Commutatore programmi a pulsante.
Circuiti stampati.
Avvertenza: Alcuni apparecchi sono muniti di sintonizzatore UHF del tipo S32.
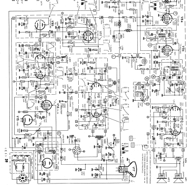
- Letteratura / Schemi (1)
- -- Schematic (Schemario dei Televisori Phonola 1952 al 1964)
- Autore
- Modello inviato da Eduard Abfalterer. Utilizzare "Proponi modifica" per inviare ulteriori dati.
- Altri modelli
-
In questo link sono elencati 717 modelli, di cui 464 con immagini e 545 con schemi.
Elenco delle radio e altri apparecchi della Phonola SA, FIMI; Saronno (VA)