TV-2109
Phonola SA, FIMI; Saronno (VA)
- Land
- Italien / Italy
- Hersteller / Marke
- Phonola SA, FIMI; Saronno (VA)
- Jahr
- 1959 ?
- Kategorie
- Fernseh-Empfänger/Monitor
- Radiomuseum.org ID
- 174872
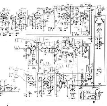
Klicken Sie auf den Schaltplanausschnitt, um diesen kostenlos als Dokument anzufordern.
- Anzahl Röhren
- 20
- Röhren
- PCC84 PCF80 EF80 EF80 EF80 PL83 EF80 EF80 EB91 PCL82 PCF80 PCL82 EB91 ECC82 PL81 PY81 PY82 PY82 DY86 MW53-80
- Hauptprinzip
- Superhet allgemein
- Wellenbereiche
- Wellen in den Bemerkungen.
- Betriebsart / Volt
- Wechselstromspeisung / 100-270 Volt
- Lautsprecher
- 2 Lautsprecher
- von Radiomuseum.org
- Modell: TV-2109 - Phonola SA, FIMI; Saronno VA
- Form
- Tischmodell, Zusatz nicht bekannt - allgemein.
- Bemerkung
- Cinescopio 21" 70° tipo cilindrico-magnetico.
VHF (S5).
FI 3 stadi 40 MHz sistema intercarrier.
Comandi frontali.
- Literatur/Schema (1)
- -- Schematic (Schemario dei Televisori Phonola 1952 al 1964)
- Autor
- Modellseite von Eduard Abfalterer angelegt. Siehe bei "Änderungsvorschlag" für weitere Mitarbeit.
- Weitere Modelle
-
Hier finden Sie 717 Modelle, davon 464 mit Bildern und 545 mit Schaltbildern.
Alle gelisteten Radios usw. von Phonola SA, FIMI; Saronno (VA)