RA97U
Radiola (marque)
- Pays
- France
- Fabricant / Marque
- Radiola (marque)
- Année
- 1939
- Catégorie
- Radio - ou tuner d'après la guerre 1939-45
- Radiomuseum.org ID
- 101610
-
- Brand: SFER
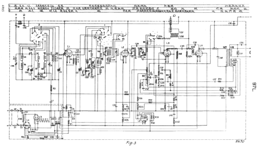
Cliquez sur la vignette du schéma pour le demander en tant que document gratuit.
- No. de tubes
- 6
- Principe général
- Super hétérodyne (en général); FI/IF 128 kHz; 2 Etage(s) BF
- Circuits accordés
- 7 Circuits MA (AM)
- Gammes d'ondes
- PO, GO et OC
- Tension / type courant
- Appareil tous courants (CA / CC) / 110; 125; 200-225 Volt
- Haut-parleur
- HP dynamique à aimant permanent + bobine mobile / Ø 20 cm = 7.9 inch
- Matière
- Boitier en bois
- De Radiomuseum.org
- Modèle: RA97U - Radiola marque
- Forme
- Modèle de table avec boutons poussoirs.
- Dimensions (LHP)
- 524 x 400 x 227 mm / 20.6 x 15.7 x 8.9 inch
- Remarques
-
Clavier auto-régleur à "système linodyne". Présélecteur HF à 2 circuits. Sélectivité réglable à 2 positions. Cadran interchangeable 3 couleurs. Dispositif de contre-réaction agissant sur deux lampes. Contrôle de tonalité. HP type 9636 de 20 cm (21.5 cm) à cône de dispersion. Prise pour pick-up et HP supplémentaire.
Adapter l'appareil à la tension de réseau se fait par l'échange de la lampe ballast, laquelle a le sélecteur incorporé dans sa base: 110 Volt avec une C13, 125 Volt avec une C9 et 200-225 Volt avec une C1.
Ce modèle est comparable avec NSF H97L.
- Littérature
- -- Original prospect or advert
- Auteur
- Modèle crée par John Koster. Voir les propositions de modification pour les contributeurs supplémentaires.
- D'autres Modèles
-
Vous pourrez trouver sous ce lien 857 modèles d'appareils, 567 avec des images et 276 avec des schémas.
Tous les appareils de Radiola (marque)