Ricevitore AM-FM Special
Radio Scuola Italiana; Torino
- Paese
- Italy
- Produttore / Marca
- Radio Scuola Italiana; Torino
- Anno
- 1960 ??
- Categoria
- Radio (o sintonizzatore del dopoguerra WW2)
- Radiomuseum.org ID
- 109271
Clicca sulla miniatura dello schema per richiederlo come documento gratuito.
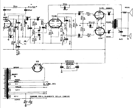
- Numero di tubi
- 9
- Principio generale
- Supereterodina (in generale); ZF/IF 467/10700 kHz
- N. di circuiti accordati
- 6 Circuiti Mod. Amp. (AM) 9 Circuiti Mod. Freq. (FM)
- Gamme d'onda
- Onde medie (OM), corte (OC) e FM.
- Tensioni di funzionamento
- Alimentazione a corrente alternata (CA) / 110/220 Volt
- Altoparlante
- 2 altoparlanti
- Potenza d'uscita
- 12 W (qualità ignota)
- Materiali
- Mobile in legno
- Radiomuseum.org
- Modello: Ricevitore AM-FM Special - Radio Scuola Italiana; Torino
- Forma
- Soprammobile basso, con andamento orizzontale (grosse dimensioni).
- Dimensioni (LxAxP)
- 630 x 400 x 280 mm / 24.8 x 15.7 x 11 inch
- Annotazioni
- Ricevitore AM-FM con amplificazione in pushpull, altoparlante diametro 20 cm per note medie e basse e 10 cm per note alte.
Gamme di frequenza OC 75-25 m, OM 550-1600 kHz, FM 88-100 MHz.
- Bibliografia
- -- Original-techn. papers.
- Letteratura / Schemi (1)
- - - Data from my own collection
- Autore
- Modello inviato da Giuseppe Antonio Tusini. Utilizzare "Proponi modifica" per inviare ulteriori dati.
- Altri modelli
-
In questo link sono elencati 15 modelli, di cui 15 con immagini e 10 con schemi.
Elenco delle radio e altri apparecchi della Radio Scuola Italiana; Torino
Collezioni
Il modello Ricevitore AM-FM Special fa parte delle collezioni dei seguenti membri.