Goldy 58 3020
Schaub und Schaub-Lorenz
- Hersteller / Marke
- Schaub und Schaub-Lorenz
- Jahr
- 1957/1958
- Kategorie
- Rundfunkempfänger (Radio - oder Tuner nach WW2)
- Radiomuseum.org ID
- 21196
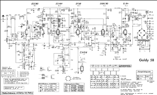
Klicken Sie auf den Schaltplanausschnitt, um diesen kostenlos als Dokument anzufordern.
- Anzahl Röhren
- 6
- Hauptprinzip
- Superhet allgemein; ZF/IF 460/10700 kHz
- Anzahl Kreise
- 6 Kreis(e) AM 10 Kreis(e) FM
- Wellenbereiche
- Langwelle, Mittelwelle, Kurzwelle und UKW.
- Betriebsart / Volt
- Wechselstromspeisung / 110; 127; 155; 220 Volt
- Lautsprecher
- Dynamischer (permanent) Ovallautsprecher
- Belastbarkeit / Leistung
- 5 W (Qualität unbekannt)
- Material
- Gerät mit Holzgehäuse
Die GFGF Zeitschrift Funkgeschichte bringt interessante Artikel zu Radios, Funkwesen und Medien. Bei Radiomuseum.org finden Sie die vollständigen Hefte früherer Ausgaben als PDF zum Download.
- von Radiomuseum.org
- Modell: Goldy 58 3020 - Schaub und Schaub-Lorenz
- Form
- Tischgerät, Tasten oder Druckknöpfe.
- Abmessungen (BHT)
- 440 x 280 x 200 mm / 17.3 x 11 x 7.9 inch
- Nettogewicht
- 6.1 kg / 13 lb 7 oz (13.436 lb)
- Originalpreis
- 258.00 DM
- Datenherkunft extern
- Erb
- Datenherkunft
- HdB d.Rdf-& Ferns-GrH 1957/58
- Literatur/Schema (1)
- -- Schematic
- Weitere Modelle
-
Hier finden Sie 974 Modelle, davon 833 mit Bildern und 691 mit Schaltbildern.
Alle gelisteten Radios usw. von Schaub und Schaub-Lorenz
Sammlungen
Das Modell Goldy 58 befindet sich in den Sammlungen folgender Mitglieder.