Musiktruhe TR16 dunkel
Siemens (& Halske, -Schuckert Werke SSW, Electrogeräte); Berlin, München
- Country
- Germany
- Manufacturer / Brand
- Siemens (& Halske, -Schuckert Werke SSW, Electrogeräte); Berlin, München
- Year
- 1958/1959
- Category
- Broadcast Receiver - or past WW2 Tuner
- Radiomuseum.org ID
- 21953
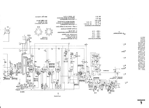
Click on the schematic thumbnail to request the schematic as a free document.
- Number of Tubes
- 10
- Main principle
- Superheterodyne (common)
- Tuned circuits
- 8 AM circuit(s) 13 FM circuit(s)
- Wave bands
- Broadcast, Long Wave, Short Wave plus FM or UHF.
- Details
- Changer (Record changer)
- Power type and voltage
- Alternating Current supply (AC) / 110; 125; 220; 250 Volt
- Loudspeaker
- 6 Loudspeakers
- Power out
- 7 W (unknown quality)
- Material
- Wooden case
- from Radiomuseum.org
- Model: Musiktruhe TR16 [dunkel] - Siemens & Halske, -Schuckert
- Shape
- Console with Push Buttons.
- Dimensions (WHD)
- 1450 x 800 x 420 mm / 57.1 x 31.5 x 16.5 inch
- Notes
- Phono-Chassis = Dual 1004.
- Net weight (2.2 lb = 1 kg)
- 54 kg / 118 lb 15.1 oz (118.943 lb)
- Price in first year of sale
- 1,088.00 DM
- External source of data
- Erb
- Source of data
- HdB d.Rdf-& Ferns-GrH 1958/59
- Other Models
-
Here you find 2543 models, 2153 with images and 1347 with schematics for wireless sets etc. In French: TSF for Télégraphie sans fil.
All listed radios etc. from Siemens (& Halske, -Schuckert Werke SSW, Electrogeräte); Berlin, München