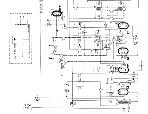
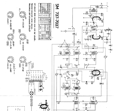
SM7037
Siemens Italia; Milano
- País
- Italia
- Fabricante / Marca
- Siemens Italia; Milano
- Año
- 1956/1957
- Categoría
- Radio - o Sintonizador pasado WW2
- Radiomuseum.org ID
- 117372
Haga clic en la miniatura esquemática para solicitarlo como documento gratuito.
- Numero de valvulas
- 6
- Principio principal
- Superheterodino en general; ZF/IF 469/10700 kHz
- Gama de ondas
- OM, OC y FM
- Tensión de funcionamiento
- Red: Corriente alterna (CA, Inglés = AC) / 110; 125; 140; 160; 220; 240 Volt
- Altavoz
- Altavoz dinámico (de imán permanente)
- Potencia de salida
- 3 W (unknown quality)
- de Radiomuseum.org
- Modelo: SM7037 - Siemens Italia; Milano
- Documentación / Esquemas (1)
- -- Schematic
- Autor
- Modelo creado por Alessandro De Poi. Ver en "Modificar Ficha" los participantes posteriores.
- Otros modelos
-
Donde encontrará 215 modelos, 160 con imágenes y 164 con esquemas.
Ir al listado general de Siemens Italia; Milano