Imperial 60GWK (J60GWK)
Stassfurter Licht- und Kraftwerke AG; Staßfurt (Staßfurter)
- Country
- Germany
- Manufacturer / Brand
- Stassfurter Licht- und Kraftwerke AG; Staßfurt (Staßfurter)
- Year
- 1939/1940
- Category
- Broadcast Receiver - or past WW2 Tuner
- Radiomuseum.org ID
- 5002
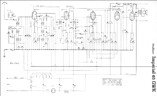
Click on the schematic thumbnail to request the schematic as a free document.
- Number of Tubes
- 6
- Main principle
- Superheterodyne (common); ZF/IF 477 kHz
- Tuned circuits
- 6 AM circuit(s)
- Wave bands
- Broadcast, Long Wave and more than two Short Wave bands.
- Power type and voltage
- AC/DC-set / 110; 220 Volt
- Loudspeaker
- Permanent Magnet Dynamic (PDyn) Loudspeaker (moving coil)
- Material
- Wooden case
- from Radiomuseum.org
- Model: Imperial 60GWK - Stassfurter Licht- und
- Shape
- Tablemodel, low profile (big size).
- Dimensions (WHD)
- 606 x 365 x 300 mm / 23.9 x 14.4 x 11.8 inch
- Notes
- Variable Bandbreite.
- Net weight (2.2 lb = 1 kg)
- 13.8 kg / 30 lb 6.3 oz (30.396 lb)
- Price in first year of sale
- 298.00 RM
- Source of data
- Handbuch WDRG 1939 / Radiokatalog Band 1, Ernst Erb
- Circuit diagram reference
- Lange+Schenk+FS-Röhrenbestückung
- Mentioned in
- Fortschritte der Funktechnik und ihrer Grenzgebiete (8 Bände) (6)
- Picture reference
- Das Modell ist im «Radiokatalog» (Erb) abgebildet.
- Other Models
-
Here you find 224 models, 175 with images and 139 with schematics for wireless sets etc. In French: TSF for Télégraphie sans fil.
All listed radios etc. from Stassfurter Licht- und Kraftwerke AG; Staßfurt (Staßfurter)
Collections
The model Imperial is part of the collections of the following members.