- Pays
- Allemagne
- Fabricant / Marque
- Stern-Radio Staßfurt, VEB, RFT (Ostd.) - vorm. Staßfurter (Stassfurter)...
- Année
- 1960/1961
- Catégorie
- Récepteur de télévision ou moniteur
- Radiomuseum.org ID
- 95494
-
- alternative name: Fernsehgerätewerk Staßfurt
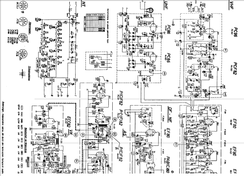
Cliquez sur la vignette du schéma pour le demander en tant que document gratuit.
- No. de tubes
- 17
- Principe général
- Super hétérodyne (en général); FI/IF 38900 kHz
- Gammes d'ondes
- Bandes en notes
- Tension / type courant
- Alimentation Courant Alternatif (CA) / 220 Volt
- Haut-parleur
- HP dynamique à aimant permanent + bobine mobile
- Matière
- Boitier en bois
- De Radiomuseum.org
- Modèle: Stassfurt 43TS501 - Stern-Radio Staßfurt, VEB, RFT
- Forme
- Console avec pieds hauts > 50% de la hauteur
- Dimensions (LHP)
- 558 x 940 x 371 mm / 22 x 37 x 14.6 inch
- Remarques
- Nicht alle Röhren gelistet, VHF-Tuner Band I +III, vorbereitet für UHF-Tuner.
- Source
- -- Original-techn. papers.
- Auteur
- Modèle crée par d'un membre de A. Voir les propositions de modification pour les contributeurs supplémentaires.
- D'autres Modèles
-
Vous pourrez trouver sous ce lien 400 modèles d'appareils, 325 avec des images et 312 avec des schémas.
Tous les appareils de Stern-Radio Staßfurt, VEB, RFT (Ostd.) - vorm. Staßfurter (Stassfurter)...
Collections
Le modèle Stassfurt fait partie des collections des membres suivants.