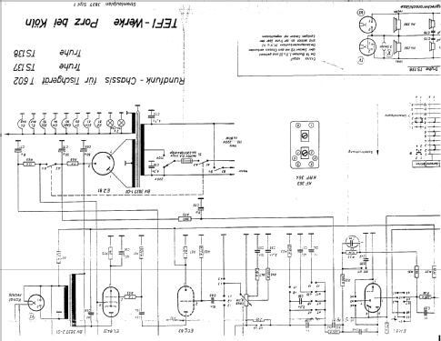
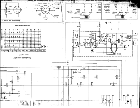
Musikschrank Rosamonte TS137
Tefi-Apparatebau; Porz bei Köln
- País
- Alemania
- Fabricante / Marca
- Tefi-Apparatebau; Porz bei Köln
- Año
- 1959
- Categoría
- Radio - o Sintonizador pasado WW2
- Radiomuseum.org ID
- 82834
Haga clic en la miniatura esquemática para solicitarlo como documento gratuito.
- Numero de valvulas
- 9
- Principio principal
- Superheterodino en general
- Número de circuitos sintonía
- 7 Circuíto(s) AM 12 Circuíto(s) FM
- Gama de ondas
- OM, OL y FM
- Especialidades
- Otro grabador y/o reproductor
- Tensión de funcionamiento
- Red: Corriente alterna (CA, Inglés = AC) / 220 Volt
- Altavoz
- 4 Altavoces
- Material
- Madera
- de Radiomuseum.org
- Modelo: Musikschrank Rosamonte TS137 - Tefi-Apparatebau; Porz bei
- Forma
- Consola baja, patas más cortas del 50%.
- Ancho, altura, profundidad
- 1120 x 870 x 420 mm / 44.1 x 34.3 x 16.5 inch
- Anotaciones
- NF-Stereo, eingebauter Schallbandspieler KC1 mit Stereosystem; CH=T602.
- Procedencia de los datos
- Radiokatalog Band 2, Ernst Erb
- Mencionado en
- Tefifon, Das; Herbert Jüttemann
- Autor
- Modelo creado por Bernd P. Kieck. Ver en "Modificar Ficha" los participantes posteriores.
- Otros modelos
-
Donde encontrará 113 modelos, 101 con imágenes y 98 con esquemas.
Ir al listado general de Tefi-Apparatebau; Porz bei Köln
Colecciones
El modelo Musikschrank Rosamonte es parte de las colecciones de los siguientes miembros.