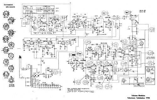
TTV11/17 Ch= T115-A
Telefunken Italia, Milano
- Country
- Italy
- Manufacturer / Brand
- Telefunken Italia, Milano
- Year
- 1960
- Category
- Television Receiver (TV) or Monitor
- Radiomuseum.org ID
- 252752
Click on the schematic thumbnail to request the schematic as a free document.
- Number of Tubes
- 14
- Main principle
- Superheterodyne (common)
- Wave bands
- VHF incl. FM and/or UHF (see notes for details)
- Power type and voltage
- Alternating Current supply (AC) / 110-280 Volt
- Loudspeaker
- Permanent Magnet Dynamic (PDyn) Loudspeaker (moving coil)
- Material
- Wooden case
- from Radiomuseum.org
- Model: TTV11/17 Ch= T115-A - Telefunken Italia, Milano
- Shape
- Tablemodel, with any shape - general.
- Dimensions (WHD)
- 475 x 445 x 380 mm / 18.7 x 17.5 x 15 inch
- Author
- Model page created by Alessandro De Poi. See "Data change" for further contributors.
- Other Models
-
Here you find 288 models, 243 with images and 202 with schematics for wireless sets etc. In French: TSF for Télégraphie sans fil.
All listed radios etc. from Telefunken Italia, Milano
Collections
The model TTV11/17 is part of the collections of the following members.