- Hersteller / Marke
- Uher Werke; München
- Jahr
- 1956/1957
- Kategorie
- Ton-/Bildspeichergerät oder -Spieler
- Radiomuseum.org ID
- 22902
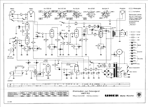
Klicken Sie auf den Schaltplanausschnitt, um diesen kostenlos als Dokument anzufordern.
- Anzahl Röhren
- 5
- Hauptprinzip
- NF-Verstärkung
- Wellenbereiche
- - ohne
- Spezialitäten
- Tonbandgerät
- Betriebsart / Volt
- Wechselstromspeisung / 110; 127; 220; 240 Volt
- Lautsprecher
- Dynamischer (permanent) Ovallautsprecher
- Belastbarkeit / Leistung
- 4 W (Qualität unbekannt)
Die GFGF Zeitschrift Funkgeschichte bringt interessante Artikel zu Radios, Funkwesen und Medien. Bei Radiomuseum.org finden Sie die vollständigen Hefte früherer Ausgaben als PDF zum Download.
- von Radiomuseum.org
- Modell: 95S - Uher Werke; München
- Form
- Tischgerät-gross, - Querformat (breiter als hoch oder quadratisch).
- Abmessungen (BHT)
- 360 x 140 x 270 mm / 14.2 x 5.5 x 10.6 inch
- Bemerkung
- Zweispur; 9,5 cm/s.; Spulen-Ø 15 cm.
- Nettogewicht
- 8 kg / 17 lb 9.9 oz (17.621 lb)
- Originalpreis
- 498.00 DM
- Datenherkunft extern
- Erb
- Datenherkunft
- HdB d.Rdf-& Ferns-GrH 1956/57 / Radiokatalog Band 2, Ernst Erb
- Weitere Modelle
-
Hier finden Sie 344 Modelle, davon 317 mit Bildern und 177 mit Schaltbildern.
Alle gelisteten Radios usw. von Uher Werke; München
Sammlungen
Das Modell befindet sich in den Sammlungen folgender Mitglieder.