Generatore TV EP 825
Unaohm Start, Ohm, E. Pontremoli; Milano
- País
- Italia
- Fabricante / Marca
- Unaohm Start, Ohm, E. Pontremoli; Milano
- Año
- 1958 ?
- Categoría
- Aparato de medida y servicio (Equipo de laboratorio).
- Radiomuseum.org ID
- 364146
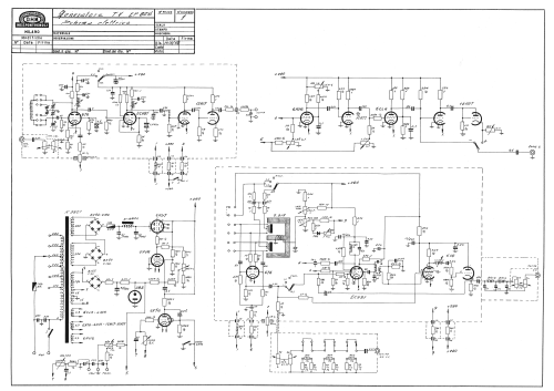
Haga clic en la miniatura esquemática para solicitarlo como documento gratuito.
- Numero de valvulas
- 13
- Gama de ondas
- VHF/UHF (see notes for details)
- Tensión de funcionamiento
- Red: Corriente alterna (CA, Inglés = AC) / 125; 145; 160; 220; 280 Volt
- Altavoz
- - - No hay salida de sonido.
- Material
- Metálico
- de Radiomuseum.org
- Modelo: Generatore TV EP 825 - Unaohm Start, Ohm, E.
- Forma
- Sobremesa de cualquier forma, detalles no conocidos.
- Ancho, altura, profundidad
- 520 x 300 x 300 mm / 20.5 x 11.8 x 11.8 inch
- Anotaciones
-
Valvole parte generatore RF: ECC85 ECH81 ECC82; valvole parte vobulatore: ECC85 ECH81ECC82
- Peso neto
- 24 kg / 52 lb 13.8 oz (52.863 lb)
Manuale Unaohm Generatore TV EP 825 | 1730 KB |
- Documentos sobre este modelo
- Autor
- Modelo creado por Alessandro De Poi. Ver en "Modificar Ficha" los participantes posteriores.
- Otros modelos
-
Donde encontrará 175 modelos, 151 con imágenes y 73 con esquemas.
Ir al listado general de Unaohm Start, Ohm, E. Pontremoli; Milano
Colecciones
El modelo Generatore TV es parte de las colecciones de los siguientes miembros.