- Land
- Italien / Italy
- Hersteller / Marke
- Unda Radio; Como, Dobbiaco
- Jahr
- 1957–1959
- Kategorie
- Rundfunkempfänger (Radio - oder Tuner nach WW2)
- Radiomuseum.org ID
- 156001
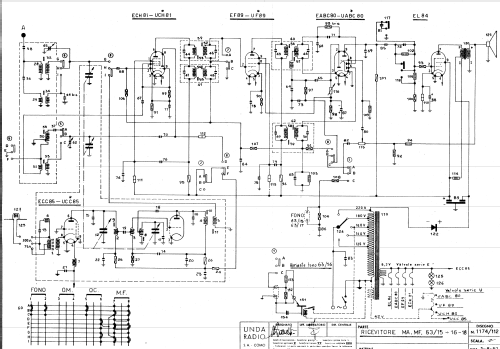
Klicken Sie auf den Schaltplanausschnitt, um diesen kostenlos als Dokument anzufordern.
- Anzahl Röhren
- 5
- Anzahl Transistoren
- Halbleiter
- Selenium-Rectifier
- Hauptprinzip
- Superhet allgemein
- Wellenbereiche
- Mittelwelle, Kurzwelle und UKW (FM).
- Spezialitäten
- Plattenspieler (kein -Wechsler)
- Betriebsart / Volt
- Wechselstromspeisung / 110-220 Volt
- Lautsprecher
- Dynamischer (permanent) Ovallautsprecher
- Belastbarkeit / Leistung
- 3 W (Qualität unbekannt)
- Material
- Gerät mit Holzgehäuse
- von Radiomuseum.org
- Modell: 63/16 - Unda Radio; Como, Dobbiaco
- Form
- Tischgerät, Tasten oder Druckknöpfe.
- Abmessungen (BHT)
- 430 x 280 x 310 mm / 16.9 x 11 x 12.2 inch
- Bemerkung
- Radiofonografo: giradischi a 4 velocità. Altoparlante magnetodinamico ellittico 16x10 cm.
- Nettogewicht
- 4.350 kg / 9 lb 9.3 oz (9.581 lb)
- Originalpreis
- 68,800.00 ITL
- Datenherkunft
- Guida Pratica Antique Radio II (2000)
- Literatur/Schema (1)
- -- Original prospect or advert
- Autor
- Modellseite von Eduard Abfalterer angelegt. Siehe bei "Änderungsvorschlag" für weitere Mitarbeit.
- Weitere Modelle
-
Hier finden Sie 243 Modelle, davon 163 mit Bildern und 179 mit Schaltbildern.
Alle gelisteten Radios usw. von Unda Radio; Como, Dobbiaco