Wegaphon 514 Vollstereo
Wega, Württembergische Radio-Ges. mbH; Stuttgart, Fellbach
- Hersteller / Marke
- Wega, Württembergische Radio-Ges. mbH; Stuttgart, Fellbach
- Jahr
- 1959/1960
- Kategorie
- Rundfunkempfänger (Radio - oder Tuner nach WW2)
- Radiomuseum.org ID
- 22198
-
- anderer Name: Württemb. Radio-Ges.mbH; Stuttgart
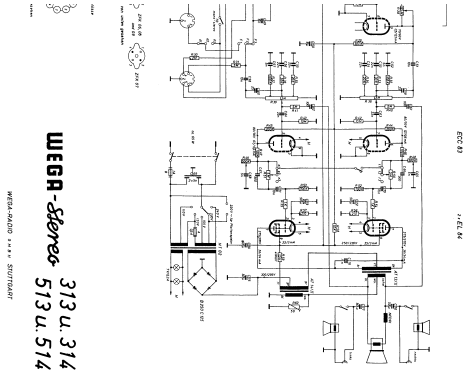
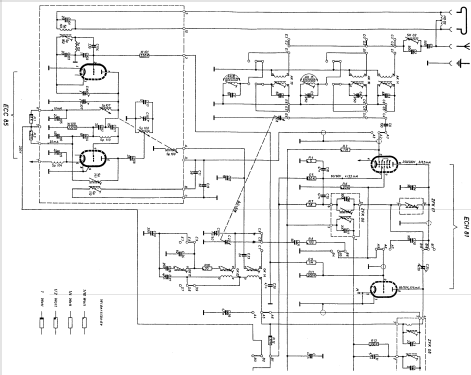
Klicken Sie auf den Schaltplanausschnitt, um diesen kostenlos als Dokument anzufordern.
- Anzahl Röhren
- 8
- Hauptprinzip
- Superhet allgemein; ZF/IF 460 kHz
- Anzahl Kreise
- 6 Kreis(e) AM 12 Kreis(e) FM
- Wellenbereiche
- Langwelle, Mittelwelle, Kurzwelle und UKW.
- Spezialitäten
- Plattenspieler (oder Wechsler)
- Betriebsart / Volt
- Wechselstromspeisung / 110-240 Volt
- Lautsprecher
- 3 Lautsprecher
- Material
- Gerät mit Holzgehäuse
Die GFGF Zeitschrift Funkgeschichte bringt interessante Artikel zu Radios, Funkwesen und Medien. Bei Radiomuseum.org finden Sie die vollständigen Hefte früherer Ausgaben als PDF zum Download.
- von Radiomuseum.org
- Modell: Wegaphon 514 Vollstereo - Wega, Württembergische Radio-
- Form
- Tischgerät-gross, - Querformat (breiter als hoch oder quadratisch).
- Abmessungen (BHT)
- 590 x 380 x 300 mm / 23.2 x 15 x 11.8 inch
- Bemerkung
- Gehäuse Nußbaum, natur matt.
- Nettogewicht
- 17 kg / 37 lb 7.1 oz (37.445 lb)
- Datenherkunft extern
- Erb
- Datenherkunft
- HdB d.Rdf-& Ferns-GrH 1959/60
- Weitere Modelle
-
Hier finden Sie 673 Modelle, davon 599 mit Bildern und 393 mit Schaltbildern.
Alle gelisteten Radios usw. von Wega, Württembergische Radio-Ges. mbH; Stuttgart, Fellbach
Sammlungen
Das Modell Wegaphon befindet sich in den Sammlungen folgender Mitglieder.