Luxus-Musiktruhe T51W
Blaupunkt (Ideal), Berlin, später Hildesheim
- Hersteller / Marke
- Blaupunkt (Ideal), Berlin, später Hildesheim
- Jahr
- 1951/1952
- Kategorie
- Rundfunkempfänger (Radio - oder Tuner nach WW2)
- Radiomuseum.org ID
- 819
-
- anderer Name: Ideal-Radiotelephon- und App-fabr. || Ideal-Werke AG; Berlin (ab 1934)
- Marke: Rotstern
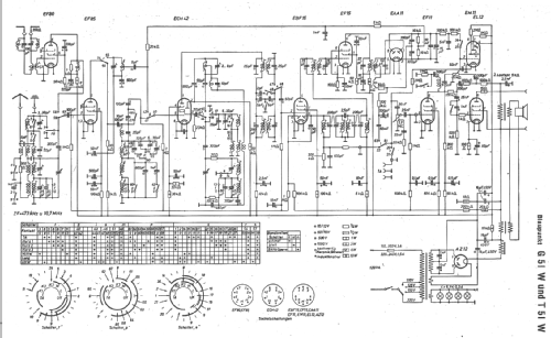
Klicken Sie auf den Schaltplanausschnitt, um diesen kostenlos als Dokument anzufordern.
- Anzahl Röhren
- 12
- Hauptprinzip
- Super mit HF-Vorstufe; ZF/IF 473/10700 kHz
- Anzahl Kreise
- 9 Kreis(e) AM 10 Kreis(e) FM
- Wellenbereiche
- Langwelle, Mittelwelle, mehrere Kurzwellenbänder plus UKW (FM).
- Spezialitäten
- Plattenwechsler
- Betriebsart / Volt
- Wechselstromspeisung / 110; 125; 220; 240 Volt
- Lautsprecher
- 2 Lautsprecher
- Material
- Gerät mit Holzgehäuse
Die GFGF Zeitschrift Funkgeschichte bringt interessante Artikel zu Radios, Funkwesen und Medien. Bei Radiomuseum.org finden Sie die vollständigen Hefte früherer Ausgaben als PDF zum Download.
- von Radiomuseum.org
- Modell: Luxus-Musiktruhe T51W - Blaupunkt Ideal, Berlin,
- Form
- Standgerät: allgemein.
- Abmessungen (BHT)
- 1100 x 810 x 430 mm / 43.3 x 31.9 x 16.9 inch
- Bemerkung
-
3× KW, variable Bandbreite, KW-Lupe;
Phono-Chassis = Phonomat 51.
Empfangsteil entspricht Blaupunkt Großsuper G51W.
- Originalpreis
- 1,500.00 DM
- Datenherkunft
- Kat.d.Rundf.GrossH.1951/52 / Radiokatalog Band 1, Ernst Erb
- Schaltungsnachweis
- Lange Schaltungen der Funkindustrie, Buch 2
- Literaturnachweis
- Katalog Rundfunk Phono 1951/52 S.11 (Thiele)
- Weitere Modelle
-
Hier finden Sie 3612 Modelle, davon 3305 mit Bildern und 2357 mit Schaltbildern.
Alle gelisteten Radios usw. von Blaupunkt (Ideal), Berlin, später Hildesheim
Sammlungen
Das Modell Luxus-Musiktruhe befindet sich in den Sammlungen folgender Mitglieder.