Sevilla 7456
Blaupunkt (Ideal), Berlin, später Hildesheim
- Country
- Germany
- Manufacturer / Brand
- Blaupunkt (Ideal), Berlin, später Hildesheim
- Year
- 1957/1958
- Category
- Television Receiver (TV) or Monitor
- Radiomuseum.org ID
- 160600
-
- alternative name: Ideal-Radiotelephon- und App-fabr. || Ideal-Werke AG; Berlin (ab 1934)
- Brand: Rotstern
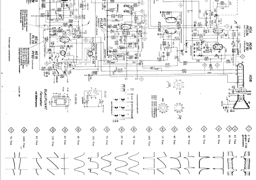
Click on the schematic thumbnail to request the schematic as a free document.
- Number of Tubes
- 20
- Valves / Tubes
- PCC88 PCF82 EF80 PCL84 PABC80 PL82 ECH81 PCL82 ECC81 PL36 PY83 EY86 ECC82 EAA91 AW53-80
- Main principle
- Superheterodyne (common); ZF/IF 38900 kHz
- Wave bands
- Wave Bands given in the notes.
- Details
- Remote Control (with wire or wireless)
- Power type and voltage
- AC/DC-set / 220 Volt
- Loudspeaker
- 2 Loudspeakers
- Material
- Wooden case
- from Radiomuseum.org
- Model: Sevilla 7456 - Blaupunkt Ideal, Berlin,
- Shape
- Tablemodel, high profile (upright - NOT Cathedral nor decorative).
- Dimensions (WHD)
- 665 x 470 x 480 mm / 26.2 x 18.5 x 18.9 inch
- Notes
-
EF80 sechs mal vorhanden. Selen-dioden: Bildgleichrichter OA160, Zeilenoszillator 2x OA161 / OA261 / RL247, Tongleichrichter OA160, Abstimmanzeige G5/61, Selengleichrichter 2x E250C350.
2 Lautsprecher Suprakustik: 260 x 180 mm und 100 mm.
Anschluss für Fernbedienung FG250,
- Net weight (2.2 lb = 1 kg)
- 36 kg / 79 lb 4.7 oz (79.295 lb)
- Source of data
- - - Manufacturers Literature
- Mentioned in
- -- Original-techn. papers. (Kundendienstschrift Blaupunkt Fernseher 1956/58)
- Author
- Model page created by Wouter Nieuwlaat † 27.5.18. See "Data change" for further contributors.
- Other Models
-
Here you find 3612 models, 3305 with images and 2357 with schematics for wireless sets etc. In French: TSF for Télégraphie sans fil.
All listed radios etc. from Blaupunkt (Ideal), Berlin, später Hildesheim