Tirol 23 71750
Blaupunkt (Ideal), Berlin, später Hildesheim
- Paese
- Germania
- Produttore / Marca
- Blaupunkt (Ideal), Berlin, später Hildesheim
- Anno
- 1961/1962
- Categoria
- Televisore (TV) / Monitor
- Radiomuseum.org ID
- 105255
-
- alternative name: Ideal-Radiotelephon- und App-fabr. || Ideal-Werke AG; Berlin (ab 1934)
- Brand: Rotstern
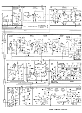
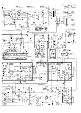
Clicca sulla miniatura dello schema per richiederlo come documento gratuito.
- Numero di tubi
- 22
- Valvole
- PCC88 PCF82 PC88 PC86 PCF82 EF80 EF80 PABC80 PL82 PC92 EF80 EF80 EF184 PCL84 PCF82 ECH84 PCL85 ECH84 PL36 or PL500 PY88 DY86 AW59-90
- Numero di transistor
- Semiconduttori
- C10_Diode BA101 RL43 RL43 OA160 OA161 OA161 OA161 OA257 E12,5C5 E12,5C5 E12,5C5 E50C5 E50C5 E62,5C5 E220C350
- Principio generale
- Supereterodina (in generale); ZF/IF 38900 kHz
- Gamme d'onda
- Gamme d'onda nelle note.
- Particolarità
- Telecomando (con o senza filo)
- Tensioni di funzionamento
- Alimentazione a corrente alternata (CA) / 220 Volt
- Altoparlante
- 3 altoparlanti
- Potenza d'uscita
- 4 W (qualità ignota)
- Materiali
- Mobile in legno
- Radiomuseum.org
- Modello: Tirol 23 71750 - Blaupunkt Ideal, Berlin,
- Forma
- Console, con gambe d'appoggio basse (< 50%).
- Dimensioni (LxAxP)
- 610 x 975 x 470 mm / 24 x 38.4 x 18.5 inch
- Annotazioni
-
Technische Daten wie Blaupunkt Sevilla, jedoch Standgerät mit verschließbaren Türen; wahlweise mit Rollenfüßen (Mehrpreis 27,- DM).
Anschluss für Kabelfernbedienung FG-253, Regelung von Lautstärke und Kontrast.
- Peso netto
- 51 kg / 112 lb 5.4 oz (112.335 lb)
- Prezzo nel primo anno
- 1,380.00 DM
- Fonte dei dati
- HdB d.Rdf-& Ferns-GrH 1961/62
- Bibliografia
- -- Original-techn. papers. (Kundendienstschrift EVB 917-412)
- Letteratura / Schemi (1)
- - - Manufacturers Literature (Blaupunkt Illustrierte 1961)
- Autore
- Modello inviato da Bernd P. Kieck. Utilizzare "Proponi modifica" per inviare ulteriori dati.
- Altri modelli
-
In questo link sono elencati 3611 modelli, di cui 3303 con immagini e 2356 con schemi.
Elenco delle radio e altri apparecchi della Blaupunkt (Ideal), Berlin, später Hildesheim