Maharani F48
Graetz, Altena (Westfalen)
- Paese
- Germania
- Produttore / Marca
- Graetz, Altena (Westfalen)
- Anno
- 1957/1958
- Categoria
- Ricevitore TV e radio (ev. con magnetofono, giradischi, registratore a cassette ecc.)
- Radiomuseum.org ID
- 97537
Clicca sulla miniatura dello schema per richiederlo come documento gratuito.
- Numero di tubi
- 23
- Valvole
- UCC85 UCH81 UBF80 UF89 UM80 UL84 PCC88 PCF80 PL83 PCF80 EF80 EF80 EF80 EF80 ECC82 EH90 ECH81 PCL82 PL36 PY81 EY86 AW53-80
- Principio generale
- Supereterodina (in generale)
- Gamme d'onda
- Gamme d'onda nelle note.
- Tensioni di funzionamento
- Alimentazione a corrente alternata (CA) / 220 Volt
- Altoparlante
- 3 altoparlanti
- Materiali
- Mobile in legno
- Radiomuseum.org
- Modello: Maharani F48 - Graetz, Altena Westfalen
- Forma
- Console, con gambe d'appoggio basse (< 50%).
- Dimensioni (LxAxP)
- 1275 x 940 x 555 mm / 50.2 x 37 x 21.9 inch
- Annotazioni
-
Radio: LMKU; TV: nur VHF.
Gestochen scharfes, kontrastreiches Bild durch metallhinterlegte 53 cm Bildröhre in 90 Grad Kurzröhren und 18 kV- Technik.
Fernsehempfang Verbrauch 195 Watt, Rundfunk 45 Watt, Plattenwechsler 12 Watt.Brilliante Tonwidergabe durch Schallsäule mit 4 perm- dyn Oval- Lautsprechern 212 x 152 mm und 1 perm.-dyn Hochtonlautsprecher 130 x 70 mm.
- Peso netto
- 90 kg / 198 lb 3.8 oz (198.238 lb)
- Prezzo nel primo anno
- 2,188.00 DM
- Fonte dei dati
- -- Original prospect or advert
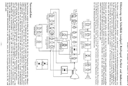
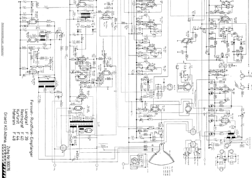
- Letteratura / Schemi (1)
- -- Original-techn. papers.
- Autore
- Modello inviato da Hilmer Grunert. Utilizzare "Proponi modifica" per inviare ulteriori dati.
- Altri modelli
-
In questo link sono elencati 783 modelli, di cui 703 con immagini e 599 con schemi.
Elenco delle radio e altri apparecchi della Graetz, Altena (Westfalen)