Fernseh-Kombinationsschrank 642
Grundig (Radio-Vertrieb, RVF, Radiowerke); Fürth/Bayern
- Pays
- Allemagne
- Fabricant / Marque
- Grundig (Radio-Vertrieb, RVF, Radiowerke); Fürth/Bayern
- Année
- 1953/1954
- Catégorie
- Récepteur de télévision avec radio ev. Enregistreur
- Radiomuseum.org ID
- 19422
-
- alternative name: Grundig Portugal || Grundig USA / Lextronix
Cliquez sur la vignette du schéma pour le demander en tant que document gratuit.
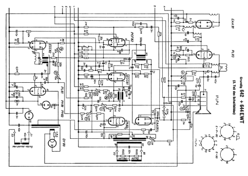
- No. de tubes
- 23
- Lampes / Tubes
- PCC84 ECC81 EF94 EF94 EF94 EF80 EAA91 PL83 EF94 EF94 EABC80 PL82 PCF82 ECC81 ECC81 PL82 EAA91 ECC82 PL81 PY81 PY83 DY80
- Tension / type courant
- Alimentation Courant Alternatif (CA)
- Haut-parleur
- HP dynamique à aimant permanent + bobine mobile / Ø 25 cm = 9.8 inch
- De Radiomuseum.org
- Modèle: Fernseh-Kombinationsschrank 642 - Grundig Radio-Vertrieb, RVF,
- Remarques
- Source extérieure
- Erb
- Source
- Kat.d.Rundf.GrossH.1953/54
- D'autres Modèles
-
Vous pourrez trouver sous ce lien 6250 modèles d'appareils, 5496 avec des images et 4249 avec des schémas.
Tous les appareils de Grundig (Radio-Vertrieb, RVF, Radiowerke); Fürth/Bayern